Curiosii for ever!: Car repair manuals for everyone.

Automatic Transmission



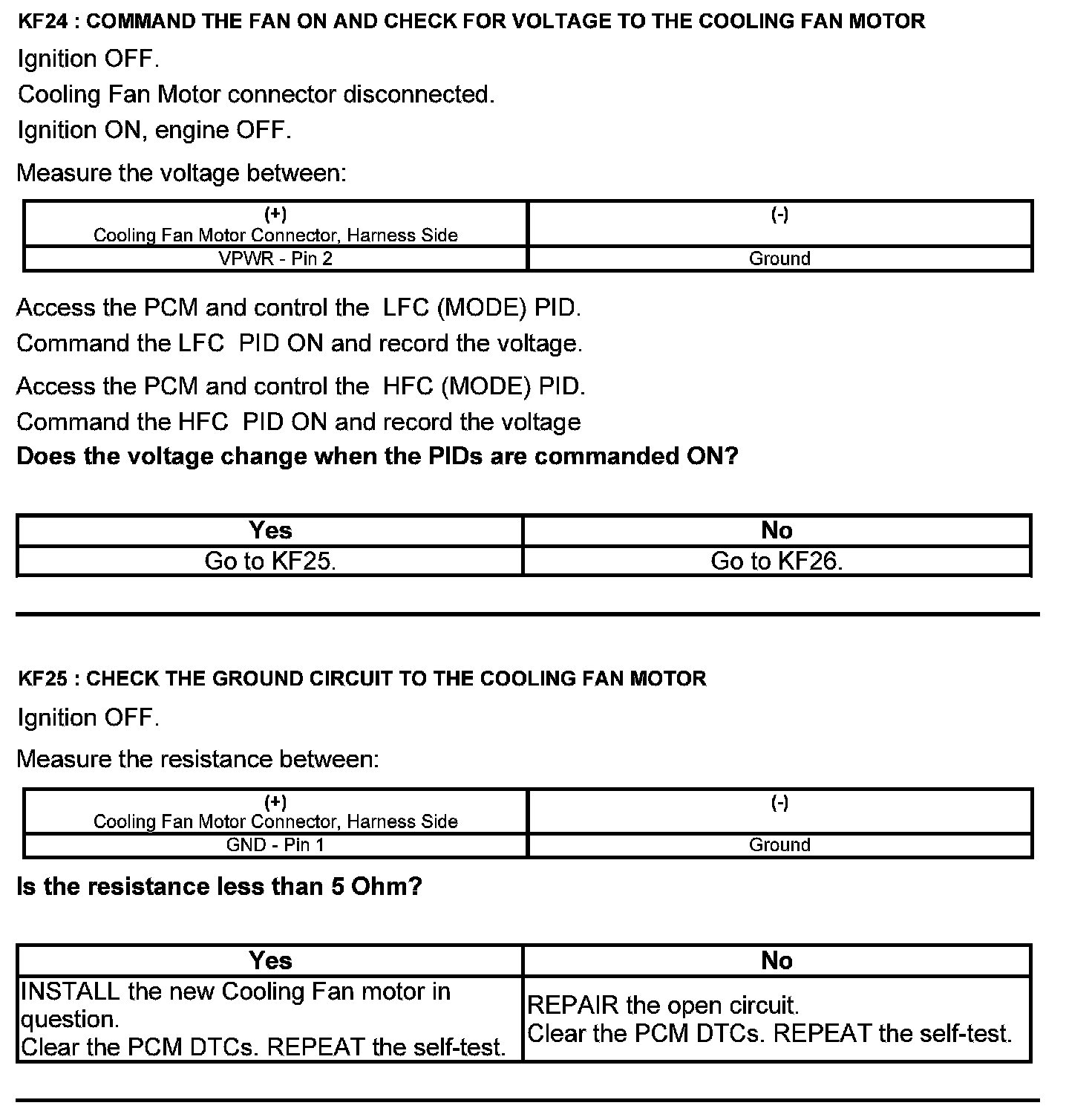
Fan Control Relays - Automatic Transmission
















Cooling Fan Motor Connector





Harness Side






Low Fan Control (LFC) Relay Connector





Harness Side





Component side






High Fan Control (HFC) Relay Connector





Harness Side





Component side






Powertrain Control Module (PCM) Connector - For PCM connector views or reference values, refer to Reference Values.





Harness Side