Curiosii for ever!: Car repair manuals for everyone.

Test KF: Fan Control Relays



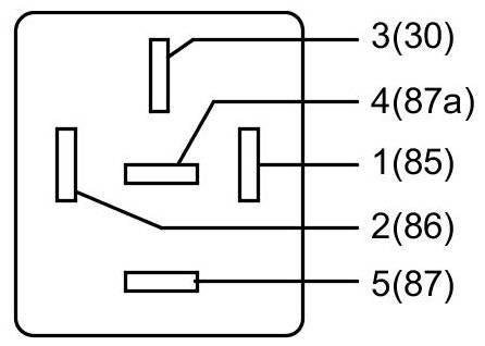
Fan Control Relays

















Cooling Fan Motor Connector






Harness Side







Low Fan Control (LFC) Relay Connector





Harness Side





Component side







High Fan Control (HFC) Relay Connector






Harness Side





Component side







Powertrain Control Module (PCM) Connector - For PCM connector views or reference values, refer to Reference Values.