Test KF: Fan Control Relays
Fan Control Relays
Cooling Fan Motor Connector
Harness Side
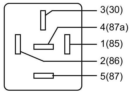
Low Fan Control (LFC) Relay Connector
Harness Side
Component side
High Fan Control (HFC) Relay Connector
Harness Side
Component side
Powertrain Control Module (PCM) Connector - For PCM connector views or reference values, refer to Reference Values.
Harness Side