Curiosii for ever!: Car repair manuals for everyone.

Part 1




Engine


















Engine Upper










Engine Front










Engine Lower (View 1)










Lower Engine (View 2)










Engine Upper - LH Cylinder Head










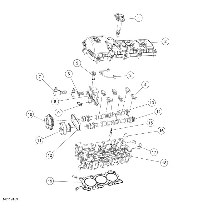
Engine Upper - RH Cylinder Head









NOTICE: During engine repair procedures, cleanliness is extremely important. Any foreign material, including any material created while cleaning gasket surfaces that enters the oil passages, coolant passages or the oil pan, may cause engine failure.

NOTE: Assembly of the engine requires various inspections/measurements of the engine components (engine block, crankshaft, connecting rods, pistons and piston rings). These inspections/measurements will aid in determining if the engine components will require replacement.

NOTE: If the cylinder head(s) is replaced, a new secondary timing chain tensioner will need to be installed.

NOTE: The Differential Bearing Cone Installer is used to install the Variable Camshaft Timing (VCT) solenoid seals.

All vehicles

1. NOTE: This procedure is for selecting bearings using a new crankshaft.
Select the crankshaft main bearings for each crankshaft journal.

- Read the code on the crankshaft flange.

- Read the code on the cylinder block face.
- The first letter after the first asterisk makes up the code for main No. 1 and the next letter for main No. 2. The first letter after the second asterisk makes up the code for main No. 3 and the last letter for main No. 4.







2. Using the chart, choose a bearing for each main. Match the block and crankshaft code with its corresponding column or row, by reading across the "crankshaft" row and down the "block" column.
- If the block code is *BM*QS* and the crankshaft code is *OL*PO*, Main No. 1 should be built with grade 1 bearings, as determined by the intersection of the B block column and the O crankshaft row on the chart. Mains No. 2, No. 3 and No. 4 should all be grade 2.






3. NOTICE: The rod cap installation must keep the same orientation as marked during disassembly or engine damage may occur.

Using the original connecting rod cap bolts, install the connecting rod caps and bolts.
- Tighten the bolts in 3 stages.

- Stage 1: Tighten to 23 Nm (17 lb-ft).

- Stage 2: Tighten to 43 Nm (32 lb-ft).

- Stage 3: Tighten an additional 90 degrees.


4. Measure the connecting rod large end bore in 2 directions.
- Remove the bolts and the rod cap.
- Discard the connecting rod cap bolts.







5. Measure each of the crankshaft connecting rod bearing journal diameters in at least 2 directions.





6. Using the chart, select the correct connecting rod bearings for each crankshaft connecting rod journal.





7. NOTE: Before assembling the cylinder block, all sealing surfaces must be free of chips, dirt, paint and foreign material. Also, make sure the coolant and oil passages are clear.
Lubricate the upper crankshaft main bearings with clean engine oil and install the 4 crankshaft main bearings in the cylinder block.






8. NOTE: Do not install the upper thrust bearings until the crankshaft is installed.

NOTE: Lubricate the thrust surfaces of the crankshaft with clean engine oil.
Install the crankshaft onto the upper main bearings.






9. NOTE: Make sure the side of the thrust washer, with the wide oil grooves, faces the crankshaft thrust surface.
Push the crankshaft rearward and install the rear crankshaft upper thrust washer at the back of the No. 4 rear bulkhead.






10. NOTE: Make sure the side of the thrust washer, with the wide oil grooves, faces the crankshaft thrust surface.
Push the crankshaft forward and install the front crankshaft upper thrust washer at the front of the No. 4 rear bulkhead.






11. Lubricate the crankshaft lower main bearings with clean engine oil and install them into the main bearing caps. Visually check seating and squareness of the bearings to make sure of proper seating in caps.





12. Position the No. 1, No. 2 and No. 3 main bearing caps on the cylinder block and, keeping the caps as square as possible, alternately draw the caps down evenly using the new bolts until the main bearing caps are seated.





13. NOTE: Make sure the side of the thrust washer, with the wide oil grooves, faces the crankshaft thrust surface.

NOTE: To aid in assembly, apply petroleum jelly to the back of the crankshaft thrust washer.
Install the lower crankshaft thrust washer to the back side of the No. 4 rear main bearing cap, with the tab aligned with the cutout in the main bearing cap.






14. Position main bearing cap No. 4 on the cylinder block and keeping the cap as square as possible, alternately draw the cap down evenly using the new bolts until the main bearing cap is seated.





15. Loosen the No. 4 main bearing cap bolts.

16. NOTE: While tightening the main bearing vertical bolts, push the crankshaft forward and the No. 4 main bearing cap rearward to seat the crankshaft thrust washers.
Tighten the main bearing bolts in the sequence shown in 2 stages.

- Stage 1: Tighten fasteners 1 through 8 to 60 Nm (44 lb-ft).

- Stage 2: Tighten fasteners 1 through 8 an additional 90 degrees.






17. Install the new 8 main bearing cap side bolts. Tighten in the sequence shown in 2 stages.
- Stage 1: Tighten fasteners 1 through 8 to 45 Nm (33 lb-ft).

- Stage 2: Tighten fasteners 1 through 8 an additional 90 degrees.






18. Using the Dial Indicator Gauge with Holding Fixture, measure crankshaft end play.
- Position the crankshaft to the rear of the cylinder block.

- Zero the Dial Indicator Gauge.

- Move the crankshaft to the front of the cylinder block. Note and record the crankshaft end play.






19. NOTICE: The rod cap installation must keep the same orientation as marked during disassembly or engine damage may occur.

Prepare the connecting rod and cap.
- Insert the new bolts in the rod cap.

- Insert the upper and lower rod bearings into the rod and cap.






20. Before installing the pistons into the cylinder block, verify proper ring gap location.
1. Center line of the piston parallel to the wrist pin bore

2. Upper compression ring gap location

3. Upper oil control segment ring gap location

4. Lower oil control segment ring gap location

5. Expander ring and lower compression ring gap location






21. NOTICE: Be sure not to scratch the cylinder wall or crankshaft journal with the connecting rod. Push the piston down until the connecting rod bearing seats on the crankshaft journal.

NOTE: The next 3 steps are for all 6 connecting rods, rod caps and pistons. Only 1 connecting rod, rod cap and piston is shown.

NOTE: Lubricate the pistons, piston rings, connecting rod bearings and the entire cylinder bores with clean engine oil.

NOTE: Make sure the piston rings are positioned to specifications for installation. For additional information, refer to Piston Piston.

NOTE: If the piston and or connecting rod are being installed new, the piston rod orientation marks and the arrow on the top of the dome of the piston should be facing toward the front of the engine block.

NOTE: If the piston and connecting rod are to be reinstalled, they must be installed in the same orientation as disassembled.
Using the Piston Ring Compressor, install the piston and connecting rod assemblies.






22. Seat the connecting rod on the crankshaft journal.

23. NOTICE: The rod cap installation must keep the same orientation as marked during disassembly or engine damage may occur.

NOTE: After installation of each piston, connecting rod, rod cap and bolts, rotate the crankshaft to verify smooth operation.

Install the connecting rod cap and bolts.
- Tighten the bolts in 3 stages.

- Stage 1: Tighten to 23 Nm (17 lb-ft).

- Stage 2: Tighten to 43 Nm (32 lb-ft).

- Stage 3: Tighten an additional 90 degrees.






24. Repeat the previous 3 steps until all 6 piston, connecting rod and connecting rod cap assemblies are installed.

25. Install the main bearing cap support brace and the new bolts. Tighten in the sequence shown in 2 steps.
- Stage 1: Tighten fasteners to 20 Nm (177 lb-in).

- Stage 2: Tighten fasteners an additional 180 degrees.






26. NOTICE: Failure to use Motorcraft(R) High Performance Engine RTV Silicone may cause the engine oil to foam excessively and result in serious engine damage.

NOTE: The crankshaft rear seal retainer must be installed and the bolts tightened within 4 minutes of sealant application.
Apply a 3 mm (0.11 in) bead of Motorcraft(R) High Performance Engine RTV Silicone to the sealing surface of the crankshaft rear seal retainer.






27. Install the crankshaft rear seal retainer and the 8 bolts.
- Tighten in the sequence shown to 10 Nm (89 lb-in).






28. Install the oil pump and the 3 bolts.
- Tighten to 10 Nm (89 lb-in).






29. Using a new O-ring seal, install the oil pump screen and pickup tube and the 2 bolts.
- Tighten to 10 Nm (89 lb-in).






30. NOTE: The A/C compressor must be installed on the cylinder block and the 2 bolts tightened prior to installing the oil pan.
Install the A/C compressor and the 2 bolts.

- Tighten to 25 Nm (18 lb-ft).






31. NOTICE: Failure to use Motorcraft(R) High Performance Engine RTV Silicone may cause the engine oil to foam excessively and result in serious engine damage.

NOTE: The oil pan and the 4 specified bolts must be installed and the oil pan aligned to the cylinder block and A/C compressor within 4 minutes of sealant application. Final tightening of the oil pan bolts must be carried out within 60 minutes of sealant application.

Apply a 3 mm (0.11 in) bead of Motorcraft(R) High Performance Engine RTV Silicone to the sealing surface of the oil pan.
- Apply a 5.5 mm (0.21 in) bead of Motorcraft(R) High Performance Engine RTV Silicone to the 2 crankshaft seal retainer plate-to-cylinder block joint areas on the sealing surface of the oil pan.






32. NOTE: The oil pan and the 4 specified bolts must be installed within 4 minutes of the start of sealant application.
Install the oil pan and bolts 10, 11, 13 and 14.

- Tighten the bolts in the sequence shown to 3 Nm (27 lb-in).

- Loosen the bolts 180 degrees.






33. Align the oil pan to the cylinder block and the A/C compressor.
- Position the oil pan so the mounting boss is against the A/C compressor and using a straightedge, align the oil pan flush with the rear of the cylinder block at the 2 areas shown.






34. Tighten bolts 10, 11, 13 and 14 in the sequence shown, to 3 Nm (27 lb-in).





35. Install the remaining oil pan bolts. Tighten all the oil pan bolts in the sequence shown.
- Tighten the large bolts (1-14) to 24 Nm (18 lb-ft).

- Tighten the small bolts (15 and 16) to 10 Nm (89 lb-in).






36. Install the A/C compressor mounting stud and nut.
- Tighten the stud to 9 Nm (80 lb-in) and the nut to 25 Nm (18 lb-ft).






37. Install the coolant pump and the 8 bolts. Tighten in the sequence shown in 2 stages:
- Stage 1: Tighten to 10 Nm (89 lb-in).

- Stage 2: Tighten an additional 45 degrees.






38. Install the Knock Sensor (KS) and the 2 bolts.
- Tighten to 20 Nm (177 lb-in).






39. Install a new gasket, the RH cylinder head and 8 new bolts. Tighten in the sequence shown in 5 stages:
- Stage 1: Tighten to 20 Nm (177 lb-in).

- Stage 2: Tighten to 35 Nm (26 lb-ft).

- Stage 3: Tighten 90 degrees.

- Stage 4: Tighten 90 degrees.

- Stage 5: Tighten 45 degrees.






40. Install the bolt.
- Tighten to 10 Nm (89 lb-in).






41. Install a new gasket, the LH cylinder head and 8 new bolts. Tighten in the sequence shown in 5 stages:
- Stage 1: Tighten to 20 Nm (177 lb-in).

- Stage 2: Tighten to 35 Nm (26 lb-ft).

- Stage 3: Tighten 90 degrees.

- Stage 4: Tighten 90 degrees.

- Stage 5: Tighten 45 degrees.






42. Install the bolt.
- Tighten to 10 Nm (89 lb-in).






43. NOTE: The valve tappets must be installed in their original positions.

NOTE: Coat the valve tappets with clean engine oil prior to installation.

NOTE: LH shown, RH similar.
Install the valve tappets.






44. NOTE: Align the bracket with the index mark made during removal.
Install the upper intake manifold bracket and the bolt.

- Tighten to 10 Nm (89 lb-in).






45. Install the engine lifting eye and the 2 bolts.
- Tighten to 24 Nm (18 lb-ft).