Curiosii for ever!: Car repair manuals for everyone.

Pinpoint Test E: The Defrost System Is Inoperative




Glass, Frames and Mechanisms

Pinpoint Tests

Pinpoint Test E: The Defrost System is Inoperative

Refer to Wiring Diagram Set 56, Heated Window for schematic and connector information. Diagrams By Number

Normal Operation

When the engine is running and the rear window defrost switch pressed, the rear window defrost switch supplies a ground input to the Generic Electronic Module (GEM). The GEM then activates the rear window defrost relay by grounding the rear window defrost relay coil. When the rear window defrost relay is activated, voltage is supplied to the LH and RH door.

- DTC B1343 (Heated Backlite Input Circuit Failure) - sets when a short to ground is detected in the rear window defrost switch input circuit.
- DTC B1349 (Heated Backlite Relay Short to Battery) - sets when a short to voltage is detected in the rear window defrost relay coil control circuit.
- DTC B1350 (Heated Backlite Relay Short to Ground) - sets when an open or short to ground is detected in the rear window defrost relay coil control circuit.

This pinpoint test is intended to diagnose the following:
- Fuse(s)
- Wiring, terminals or connectors
- Rear window defrost relay
- Rear window defrost switch
- Rear window defrost grid
- GEM


PINPOINT TEST E: THE DEFROST SYSTEM IS INOPERATIVE

NOTICE: Use the correct probe adapter(s) from the Flex Probe Kit when making measurements. Failure to use the correct probe adapter(s) may damage the connector.

-------------------------------------------------
E1 RETRIEVE THE DTCs FROM THE GEM


- Ignition ON.
- Use the recorded GEM DTCs from the continuous and GEM self-tests.
- Is DTC B1343 present?

Yes
GO to E11.

No
GO to E2.

-------------------------------------------------
E2 CHECK FOR VOLTAGE AT THE INOPERATIVE REAR WINDOW DEFROST GRID


- Disconnect: Inoperative Rear Window Defrost Grid Power C4247A (LH door) or C402A (RH door).
- Start the engine.
- Activate the rear window defrost switch.
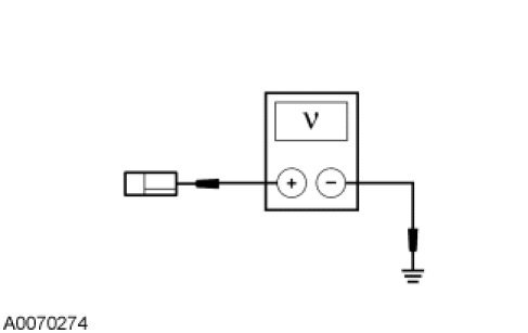
- Measure the voltage between the inoperative rear window defrost grid C4247A-1, circuit 15S-HB40 (GN/OG) (LH door) or C402A-1, circuit 15S-HB41 (GN/BU) (RH door), harness side and ground.




- Is the voltage greater than 10 volts?

Yes
GO to E3.

No
If a single LH or RH door defrost grid is inoperative, REPAIR the circuit. TEST the system for normal operation. If both LH and RH door defrost grids are inoperative, VERIFY Central Junction Box (CJB) fuse 178 (25A) is OK. If OK, GO to E4.

If not OK, REFER to the Wiring Diagrams to identify the possible causes of the circuit short. REPAIR the circuit. TEST the system for normal operation. Diagrams By Number

-------------------------------------------------
E3 CHECK FOR GROUND AT THE INOPERATIVE REAR WINDOW DEFROST GRID


- Ignition OFF.
- Disconnect: Inoperative Rear Window Defrost Grid Ground C4247B (LH door) or C402B (RH door).
- Measure the resistance between the inoperative rear window defrost grid ground C4247B-1, circuit 31-HB40 (BK) (LH door) or C402B-1, circuit 31-HB41 (BK) (RH door), harness side and ground.




- Is the resistance less than 5 ohms?

Yes
INSTALL a new rear window glass. REFER to Window Glass - Rear Service and Repair. TEST the system for normal operation.

No
REPAIR the circuit. TEST the system for normal operation.

-------------------------------------------------
E4 CHECK THE POWER TO THE REAR WINDOW DEFROST RELAY


- Ignition ON.
- Disconnect: Rear Window Defrost Relay.
- Measure the voltage between rear window rear window defrost relay socket pin 85, circuit 15-DA1G (GN/YE), and ground; and between rear window defrost relay socket pin 30, circuit 30-DA1A (RD), and ground.




- Is the voltage greater than 10 volts?

Yes
GO to E5.

No
VERIFY Battery Junction Box (BJB) fuse 19 (50A) is OK. If OK, REPAIR the circuit. TEST the system for normal operation.

If not OK, REFER to the Wiring Diagrams to identify the possible causes of the circuit short. REPAIR the circuit. TEST the system for normal operation. Diagrams By Number

-------------------------------------------------
E5 CHECK THE GEM OPERATION


NOTICE: The following step uses a test light to simulate normal circuit loads. Use only the test light recommended in the Special Tools table. To avoid connector terminal damage, use the Flex Probe Kit for the test light probe connection to the vehicle. Do not use the test light probe directly on any connector.

- Start the engine.
- Activate the rear window defrost switch.
- Connect a 12-volt incandescent test light between rear window defrost relay socket pin 86, circuit 15S-HB20 (GN/BK) and rear window defrost relay socket pin 85, circuit 15-DA1G (GN/YE).




- Does the test light illuminate?

Yes
GO to E6.

No
GO to E7.

-------------------------------------------------
E6 CHECK THE REAR WINDOW DEFROST RELAY


- Ignition OFF.
- Carry out the rear window defrost relay component test.
Refer to Heated Glass Element Relay for component testing.

- Did the rear window defrost relay pass the component test?

Yes
REPAIR open in circuit 15S-HB3 (GN/BU)/15S-HB40 (GN/OG) (LH door) or 15S-HB3 (GN/BU)/15S-HB41 (GN/BU) (RH door). TEST the system for normal operation.

No
INSTALL a new rear window defrost relay. CLEAR the DTCs. TEST the system for normal operation.

-------------------------------------------------
E7 CHECK THE REAR WINDOW DEFROST RELAY CONTROL CIRCUIT FOR AN OPEN


- Ignition OFF.
- Disconnect: GEM C201B.
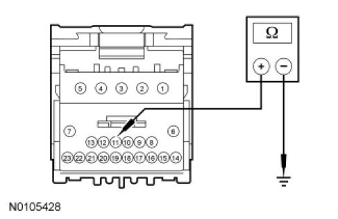
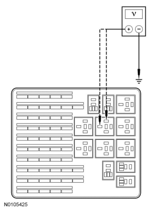
- Measure the resistance between rear window defrost relay socket pin 86, circuit 15S-HB20 (GN/BK) and GEM C201B-12, circuit 15S-HB20 (GN/BK), harness side.




- Is the resistance less than 5 ohms?

Yes
GO to E8.

No
REPAIR the circuit. TEST the system for normal operation.

-------------------------------------------------
E8 CHECK THE REAR WINDOW DEFROST SWITCH INPUT


- While pressing and releasing the rear window defrost switch, measure the resistance between GEM C201B-11, circuit 31S-HB22 (BK/GN), harness side and ground.




- Is the resistance less than 5 ohms with the defrost switch depressed; and greater than 10,000 ohms when the defrost switch is released?

Yes
GO to E12.

No
GO to E9.

-------------------------------------------------
E9 CHECK THE DEFROST SWITCH CIRCUIT FOR AN OPEN OR SHORT TO GROUND


- Disconnect: Defrost Switch C241.
- Measure the resistance between rear window defrost switch C241-6, circuit 31S-HB22 (BK/GN), harness side and GEM C201B-11, circuit 31S-HB22 (BK/GN), harness side; and between rear window defrost switch C241-6, circuit 31S-HB22 (BK/GN), harness side and ground.




- Is the resistance less than 5 ohms between the defrost switch and GEM; and greater than 10,000 ohms between defrost switch and ground?

Yes
GO to E10.

No
REPAIR the circuit. TEST the system for normal operation.

-------------------------------------------------
E10 CHECK THE DEFROST SWITCH GROUND CIRCUIT


- Measure the resistance between rear window defrost switch C241-4, circuit 91S-HB31 (BK/OG), harness side and ground.




- Is the resistance less than 5 ohms?

Yes
INSTALL a new defrost switch. TEST the system for normal operation.

No
REPAIR the circuit. TEST the system for normal operation.

-------------------------------------------------
E11 CHECK THE DEFROST SWITCH CIRCUIT FOR A SHORT TO GROUND


- Ignition OFF.
- Disconnect: GEM C201B.
- Disconnect: Defrost Switch C241.
- Measure the resistance between rear window defrost switch C241-6, circuit 31S-HB22 (BK/GN), harness side and ground.




- Is the resistance greater than 10,000 ohms?

Yes
INSTALL a new defrost switch. TEST the system for normal operation.

No
REPAIR the circuit. TEST the system for normal operation.

-------------------------------------------------
E12 CHECK FOR CORRECT GEM MODULE OPERATION


- Disconnect the GEM electrical connectors.
- Check for:
- corrosion.
- pushed-out pins.
- Connect the GEM connectors and make sure they seat correctly.
- Operate the system and verify the concern is still present.
- Is the concern still present?

Yes
INSTALL a new GEM. REFER to Multifunction Electronic Modules Service and Repair. TEST the system for normal operation.

No
The system is operating correctly at this time. The concern may have been caused by a loose or corroded connector.

-------------------------------------------------