Curiosii for ever!: Car repair manuals for everyone.

Pinpoint Test F: The Speech Recognition Module (SRM) Does Not Respond To The Scan Tool




Communications Network

Pinpoint Test F: The Speech Recognition Module (SRM) Does Not Respond To The Scan Tool

Refer to Wiring Diagram Set 14, Module Communications Network for schematic and connector information. Diagrams By Number

Refer to Wiring Diagram Set 130, Audio System for schematic and connector information. Diagrams By Number

Normal Operation

The Speech Recognition Module (SRM) communicates with the scan tool through the Medium Speed Controller Area Network (MS-CAN).

This pinpoint test is intended to diagnose the following:

- Fuse
- Wiring, terminals or connectors
- SRM


PINPOINT TEST F: THE SRM DOES NOT RESPOND TO THE SCAN TOOL

NOTICE: Use the correct probe adapter(s) when making measurements. Failure to use the correct probe adapter(s) may damage the connector.

NOTE: Failure to disconnect the battery when instructed will result in false resistance readings. Refer to Battery, Mounting and Cables Battery Disconnect.

-------------------------------------------------
F1 CHECK THE SRM VOLTAGE SUPPLY CIRCUIT FOR AN OPEN


- Ignition OFF.
- Disconnect: SRM C2307.
- Measure the voltage between the SRM C2307-17, circuit 29-MC12 (OG/YE), harness side and ground; and between the SRM C2307-18, circuit 29-MC12 (OG/YE), harness side and ground.




- Is the voltage greater than 10 volts?

Yes
GO to F2.

No
VERIFY the Central Junction Box (CJB) fuse 151 (15A) is OK. If OK, REPAIR the circuit. If not OK, REFER to the Wiring Diagrams to identify the possible causes of the circuit short. CLEAR the DTCs. REPEAT the network test with the scan tool. Diagrams By Number

-------------------------------------------------
F2 CHECK THE SRM GROUND CIRCUIT FOR AN OPEN


- Disconnect: Negative Battery Cable.
- Measure the resistance between the SRM C2307-33, circuit 91-MC12 (BK/YE), harness side and ground; and between the SRM C2307-34, circuit 91-MC12 (BK/YE), harness side and ground.




- Is the resistance less than 5 ohms?

Yes
GO to F3.

No
REPAIR the circuit. CONNECT the negative battery cable. CLEAR the DTCs. REPEAT the network test with the scan tool.

-------------------------------------------------
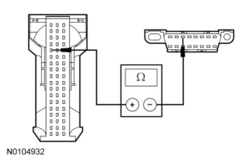
F3 CHECK THE MS-CAN CIRCUITS BETWEEN THE SRM AND THE DLC FOR AN OPEN


- Measure the resistance between the SRM C2307-14, circuit 4-EC1 (GY/RD), harness side and the DLC C251-3, circuit 4-EC1 (GY/RD)/4-EC13 (GY/VT)/4-EC14 (GY/OG), harness side.




- Measure the resistance between the SRM C2307-15, circuit 5-EC1 (BU/RD), harness side and the DLC C251-11, circuit 5-EC1 (BU/RD)/5-EC13 (BU/WH)/5-EC14 (BU/BK), harness side.




- Are the resistances less than 5 ohms?

Yes
CONNECT the negative battery cable. GO to F4.

No
REPAIR the circuit. CONNECT the negative battery cable. CLEAR the DTCs. REPEAT the network test with the scan tool.

-------------------------------------------------
F4 CHECK FOR CORRECT SRM OPERATION


- Disconnect the SRM connector.
- Check for:
- corrosion
- damaged pins
- pushed-out pins
- Connect the SRM connector and make sure it seats correctly.
- Verify the concern is still present.
- Is the concern still present?

Yes
INSTALL a new SRM. REFER to Information and Entertainment Systems Service and Repair. CLEAR the DTCs. REPEAT the network test with the scan tool.

No
The system is operating correctly at this time. The concern may have been caused by a loose or corroded connector.

-------------------------------------------------