Curiosii for ever!: Car repair manuals for everyone.

Pinpoint Test C: The Instrument Cluster (IC) Does Not Respond To The Scan Tool




Communications Network

Pinpoint Test C: The Instrument Cluster (IC) Does Not Respond To The Scan Tool

Refer to Wiring Diagram Set 14, Module Communications Network for schematic and connector information. Diagrams By Number

Refer to Wiring Diagram Set 60, Instrument Cluster for schematic and connector information. Diagrams By Number

Normal Operation

The Instrument Cluster (IC) communicates with the scan tool and other network modules on the High Speed Controller Area Network (HS-CAN). The IC communicates with other network modules on the Medium Speed Controller Area Network (MS-CAN).

This pinpoint test is intended to diagnose the following:

- Fuse(s)
- Wiring, terminals or connectors
- IC


PINPOINT TEST C: THE IC DOES NOT RESPOND TO THE SCAN TOOL

NOTICE: Use the correct probe adapter(s) when making measurements. Failure to use the correct probe adapter(s) may damage the connector.

NOTE: Failure to disconnect the battery when instructed will result in false resistance readings. Refer to Battery, Mounting and Cables Battery Disconnect.

-------------------------------------------------
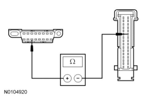
C1 CHECK THE HS-CAN TERMINATION RESISTANCE


- Ignition OFF.
- Disconnect: Negative Battery Cable.
- Disconnect the scan tool cable from the Data Link Connector (DLC).
- Measure the resistance between the DLC C251-6, circuit 4-EC7 (GY/RD)/4-EC8 (GY/VT), harness side and the DLC C251-14, circuit 5-EC7 (BU/RD)/5-EC8 (BU/WH), harness side.




- Is the resistance between 54 and 66 ohms?

Yes
GO to C3.

No
GO to C2.

-------------------------------------------------
C2 CHECK THE HS-CAN CIRCUITS BETWEEN THE DLC AND THE IC FOR AN OPEN


- Disconnect: IC C220b.
- Measure the resistance between the DLC C251-6, circuit 4-EC7 (GY/RD)/4-EC8 (GY/VT), harness side and the IC C220b-23, circuit 4-EC8 (GY/VT), harness side.




- Measure the resistance between the DLC C251-14, circuit 5-EC7 (BU/RD)/5-EC8 (BU/WH), harness side and the IC C220b-24, circuit 5-EC8 (BU/WH), harness side.




- Are the resistances less than 5 ohms?

Yes
CONNECT the negative battery cable. GO to C7.

No
REPAIR the circuit in question. CONNECT the negative battery cable. CLEAR the DTCs. REPEAT the network test with the scan tool.

-------------------------------------------------
C3 CHECK THE MS-CAN TERMINATION RESISTANCE


- Measure the resistance between the DLC C251-3, circuit 4-EC1 (GY/RD)/4-EC13 (GY/VT)/4-EC14 (GY/OG), harness side and the DLC C251-11, circuit 5-EC1 (BU/RD)/5-EC13 (BU/WH)/5-EC14 (BU/BK), harness side.




- Is the resistance between 54 and 66 ohms?

Yes
GO to C5.

No
GO to C4.

-------------------------------------------------
C4 CHECK THE MS-CAN CIRCUITS BETWEEN THE DLC AND THE IC FOR AN OPEN


- Measure the resistance between the DLC C251-3, circuit 4-EC1 (GY/RD)/4-EC13 (GY/VT)/4-EC14 (GY/OG), harness side and the IC C220b-21, circuit 4-EC13 (GY/VT), harness side.




- Measure the resistance between the DLC C251-11, circuit 5-EC1 (BU/RD)/5-EC13 (BU/WH)/5-EC14 (BU/BK), harness side and the IC C220b-22, circuit 5-EC13 (BU/WH), harness side.




- Are the resistances less than 5 ohms?

Yes
CONNECT the negative battery cable. GO to C7.

No
REPAIR the circuit in question. CONNECT the negative battery cable. CLEAR the DTCs. REPEAT the network test with the scan tool.

-------------------------------------------------
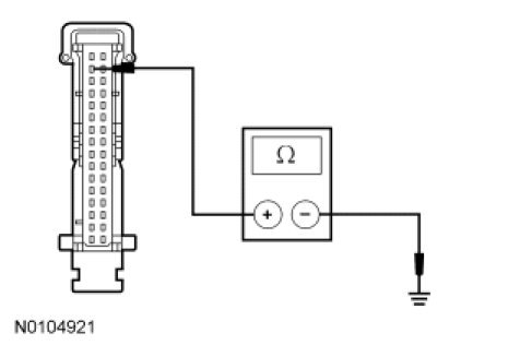
C5 CHECK THE IC GROUND CIRCUIT FOR AN OPEN


- Measure the resistance between the IC C220b-2, circuit 91-GC14 (BK/OG) harness side and ground.




- Is the resistance less than 5 ohms?

Yes
CONNECT the negative battery cable. GO to C6.

No
REPAIR the circuit. CONNECT the negative battery cable. CLEAR the DTCs. REPEAT the network test with the scan tool.

-------------------------------------------------
C6 CHECK THE IC VOLTAGE SUPPLY CIRCUITS FOR AN OPEN


- Ignition ON.
- Measure the voltage between the IC C220b-1, circuit 29-GG14 (OG), harness side and ground; and between the IC C220b-6, circuit 15-GG14 (GN/RD), harness side and ground.




- Are the voltages greater than 10 volts?

Yes
GO to C7.

No
VERIFY Central Junction Box (CJB) fuse 148 (7.5A) or fuse 179 (7.5A) is OK. If OK, REPAIR the circuit in question. If not OK, REFER to the Wiring Diagrams to identify the possible causes of the circuit short. CLEAR the DTCs. REPEAT the network test with the scan tool. Diagrams By Number

-------------------------------------------------
C7 CHECK FOR CORRECT IC OPERATION


- Disconnect the IC connector.
- Check for:
- corrosion
- damaged pins
- pushed-out pins
- Connect the IC connector and make sure it seats correctly.
- Operate the system and verify the concern is still present.
- Is the concern still present?

Yes
INSTALL a new IC. REFER to Instrumentation and Warning Chimes Service and Repair. CLEAR the DTCs. REPEAT the network test with the scan tool.

No
The system is operating correctly at this time. The concern may have been caused by a loose or corroded connector.

-------------------------------------------------