Curiosii for ever!: Car repair manuals for everyone.

Climate Control System




Climate Control System

Component Tests


Switch - Function Selector











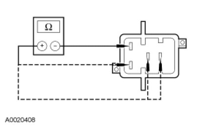
Switch - Blower Motor











Resistor - Blower Motor











Heater Core

1. NOTE: If a heater core leak is suspected, the heater core must be tested by following the plugged heater core component test before the heater core pressure test. Carry out a system inspection by checking the heater system thoroughly as follows:

Inspect for evidence of coolant leakage at the heater hose-to-heater core attachments. A coolant leak in the heater hose could follow the heater core tube to the heater core and appear as a leak in the heater core.

2. NOTE: Spring-type clamps are installed as original equipment. Installation and overtightening of non-specified clamps can cause leakage at the heater hose connection and damage the heater core.

Check the integrity of the heater hose clamps.


Heater Core - Plugged

WARNING: Before disconnecting any heater water hoses, shut OFF the engine and wait until engine is fully cool. Failure to comply with this warning may result in serious injury or burns from hot liquid escaping from the engine cooling system.

1. Check to see that the engine coolant is at the correct level.

2. Start the engine and turn on the heater.

3. When the engine coolant reaches operating temperature, feel the heater core inlet and outlet hoses to see if they are hot.

4. If the outlet only is not hot:
- the heater core may have an air pocket.

- the heater core may be plugged.

5. If the inlet only is not hot, the thermostat may not be working correctly.


Heater Core - Pressure Test

Use the Pressure Test Kit to carry out the pressure test.

1. NOTE: Due to space limitations, a bench test may be necessary for pressure testing.

Drain the coolant from the cooling system.

2. Disconnect the heater hoses from the heater core.

3. Install a short piece of heater hose, approximately 101 mm (4 in) long on each heater core tube.

4. Fill the heater core and heater hoses with water and install plug BT-7422-B and adapter BT-7422-A from the Pressure Test Kit. Secure the heater hoses, plug and adapter with hose clamps.






5. Attach the pump and gauge assembly from the Pressure Test Kit to the adapter.

6. Close the bleed valve at the base of the gauge. Pump 138 kPa (20 psi) of air pressure into the heater core.

7. Observe the pressure gauge for a minimum of 3 minutes.

8. If the pressure drops, check the heater hose connections to the core tubes for leaks. If the heater hoses do not leak, remove the heater core from the vehicle and carry out the bench test.


Heater Core - Bench Test

1. Remove the heater core from the vehicle.

2. Drain all of the coolant from the heater core.

3. Connect the 101 mm (4 in) test heater hoses with plug and adapter to the core tubes. Then connect the Pressure Test Kit to the adapter.

4. Apply 138 kPa (20 psi) of air pressure to the heater core. Submerge the heater core in water.

5. If a leak is observed, install a new heater core.






Evaporator/Condenser Core - On-Vehicle Leak Test

1. Discharge and recover the refrigerant. Refer to Air Conditioning (A/C) System Recovery, Evacuation and Charging Air Conditioning (A/C) System Recovery, Evacuation and Charging.

2. Disconnect the suspect evaporator core or condenser core from the A/C system.

3. Clean the manifold fittings.

4. Connect the appropriate test fittings from the A/C Flush Adapter Kit to the condenser or evaporator core tube connections.

5. NOTE: The automatic shut-off valves on some gauge set hoses do not open when connected to the test fittings. If available, use hoses without shut-off valves. If hoses with shut-off valves are used, make sure the valve opens when attached to the test fittings or install an adapter that will activate the valve. The test is not valid if the shut-off valve does not open.

Connect the red and blue hoses from the R-134a Manifold Gauge Set to the test fittings on the evaporator core or condenser core. Connect the yellow hose to a known good vacuum pump.

6. Open both gauge set valves and start the vacuum pump. Allow the vacuum pump to operate for a minimum of 45 minutes after the gauge set low-pressure gauge indicates 101 kPa (30 in-Hg). The 45-minute evacuation is necessary to remove any refrigerant from oil left in the evaporator core or condenser core. If the refrigerant is not completely removed from the oil, out-gassing will degrade the vacuum and appear as a refrigerant leak.

7. If the low-pressure gauge reading will not drop to 101 kPa (30 in-Hg) when the valves on the gauge and manifold set are open and the vacuum pump is operating, close the gauge set valves and observe the low pressure gauge. If the pressure rises rapidly to zero, a large leak is indicated. Recheck the test fitting connections and gauge set connections before installing a new evaporator core or condenser core.

8. After evacuating for 45 minutes, close the gauge set valves and stop the vacuum pump. Observe the low-pressure gauge; it should remain at the 101 kPa (30 in-Hg) mark.
- If the low-pressure gauge reading rises 34 or more kPa (10 or more in-Hg) of vacuum from the 101 kPa (30 in-Hg) position in 10 minutes, a leak is indicated.

- If a very small leak is suspected, wait 30 minutes and observe the vacuum gauge.

- If a small amount of vacuum is lost, operate the vacuum pump with gauge valves open for an additional 30 minutes to remove any remaining refrigerant from the oil in the evaporator core or condenser core. Then recheck for loss of vacuum.

- If a very small leak is suspected, allow the system to sit overnight with vacuum applied and check for vacuum loss.

9. If the evaporator core or condenser core does leak, as verified by the above procedure, install a new evaporator core or condenser core.


A/C Compressor - External Leak Test

1. Install the Refrigerant Pressure Line Connector on the rear head of the A/C compressor using the existing manifold retaining bolt.

2. Connect the high- and low-pressure lines of a manifold gauge set or a refrigerant recovery/recycling station to the corresponding fittings on the Refrigerant Pressure Line Connector.

3. Attach the center hose of the manifold gauge set to a refrigerant container standing in an upright position.

4. Open the low-pressure gauge valve, the high-pressure gauge valve and the valve on the refrigerant container to allow the refrigerant vapor to flow into the A/C compressor.

5. Using the Refrigerant Leak Detector, check for leaks at the compressor shaft.

6. If a shaft seal leak is found, install a new shaft seal. Refer to Climate Control Service and Repair. If an external leak is found at the center joint of the A/C compressor, install a new A/C compressor.

7. When the leak test is complete, recover the refrigerant from the compressor.