Curiosii for ever!: Car repair manuals for everyone.

Steering Angle Sensor: Service and Repair




Steering Wheel Rotation Sensor









Removal and Installation

1. Remove the steering column opening trim panel.

1. Remove the 2 screws.

2. Remove the trim panel.





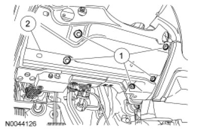
2. Remove the steering column opening cover reinforcement.

1. Remove the 5 bolts.
- To install, tighten the steering column opening cover reinforcement bolts to 8 Nm (71 lb-in).

2. Remove the reinforcement.





3. Disconnect the steering wheel rotation sensor electrical connector and remove the connector and retaining pin from the instrument panel frame.

4. Remove the 2 bolts and the steering wheel rotation sensor.

5. NOTE: If the sensor is not calibrated after installation, a DTC will be set in the ABS module.

Calibrate the sensor in the following sequence:

1. Start the engine.

2. Rotate the steering wheel from lock to lock a minimum of 2 times.