Curiosii for ever!: Car repair manuals for everyone.

Pinpoint Test AO: DTC U3003:16 (Audio Digital Signal Processing (DSP) Module)




Information and Entertainment System

Pinpoint Tests

Pinpoint Test AO: DTC U3003:16 (Audio Digital Signal Processing (DSP) Module)

Normal Operation
- DTC U3003:16 (Battery Voltage: Circuit Voltage Below Threshold) - set by the audio Digital Signal Processing (DSP) module when the supply voltage falls below 10 volts for at least 10 seconds during normal operation, or for greater than 250 milliseconds during the self-test.

This pinpoint test is intended to diagnose the following:

- Wiring, terminals or connectors
- High circuit resistance
- Audio DSP module


PINPOINT TEST AO: DTC U3003:16 (AUDIO DSP MODULE)

NOTICE: Use the correct probe adapter(s) when making measurements. Failure to use the correct probe adapter(s) may damage the connector.

NOTE: Failure to disconnect the battery when instructed will result in false resistance readings. Refer to Battery, Mounting and Cables Battery Disconnect.

-------------------------------------------------
AO1 RECHECK THE AUDIO DSP MODULE DTCs


- Ignition ON.
- Clear the audio DSP module DTCs.
- Wait at least 15 seconds.
- Repeat the audio DSP module self-test.
- Is DTC U3003:16 still present?

Yes
GO to AO2.

No
The system is operating correctly at this time. The DTC may have been set due to a previous low battery voltage condition.

-------------------------------------------------
AO2 CHECK FOR CHARGING SYSTEM DTCs IN THE PCM


- Retrieve the continuous DTCs from all modules.
- Is DTC P0620, P0622, P0625, or P065B set in the PCM?

Yes
REFER to Charging System Testing and Inspection.

No
GO to AO3.

-------------------------------------------------
AO3 CHECK THE BATTERY CONDITION AND STATE OF CHARGE


- Check the battery condition and verify that the battery is fully charged. Refer to Battery, Mounting and Cables Testing and Inspection.
- Is the battery OK and fully charged?

Yes
GO to AO4.

No
REFER to Battery, Mounting and Cables Testing and Inspection.

-------------------------------------------------
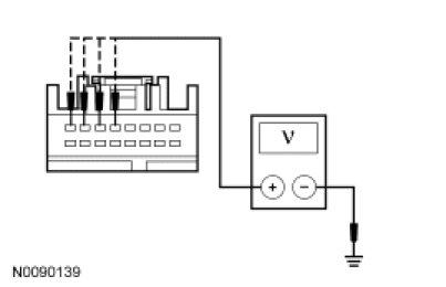
AO4 CHECK THE AUDIO DSP MODULE VOLTAGE SUPPLY


- Ignition OFF.
- Measure and record the voltage at the battery.
- Disconnect: Audio DSP Module C4208c .
- Ignition ON.
- Measure the voltage between the audio DSP module, harness side and ground as follows:









- Are the voltages at the audio DSP module within 0.2 volt of the recorded battery voltage?

Yes
GO to AO5.

No
REPAIR the circuit in question for high resistance. CLEAR the DTCs. REPEAT the self-test.

-------------------------------------------------
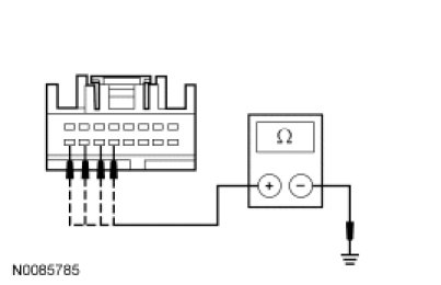
AO5 CHECK THE AUDIO DSP MODULE GROUND CIRCUITS FOR CONTINUITY


- Ignition OFF.
- Disconnect: Negative Battery Cable.
- Measure the resistance between the audio DSP module, harness side and ground as follows:









- Is the resistance less than 5 ohms?

Yes
GO to AO6.

No
REPAIR the circuit for high resistance. CLEAR the DTCs. REPEAT the self-test.

-------------------------------------------------
AO6 CHECK FOR CORRECT AUDIO DSP MODULE OPERATION


- Ignition OFF.
- Connect: Negative Battery Cable.
- Disconnect all the audio DSP module connectors.
- Check for:
- corrosion
- damaged pins
- pushed-out pins

- Connect all the audio DSP module connectors and make sure they seat correctly.
- Operate the system and determine if the concern is still present.
- Is the concern still present?

Yes
INSTALL a new audio DSP module. REFER to Audio Digital Signal Processing (DSP) Module Audio Digital Signal Processing (DSP) Module. TEST the system for normal operation.

No
The system is operating correctly at this time. The concern may have been caused by a loose or corroded connector. CLEAR the DTCs.

-------------------------------------------------