Pinpoint Test T: The Accessory Protocol Interface Module (APIM) Does Not Respond To The Scan Tool
Communications Network
Pinpoint Tests
Pinpoint Test T: The Accessory Protocol Interface Module (APIM) Does Not Respond To The Scan Tool
Refer to Wiring Diagram Set 130, Audio System/Navigation for schematic and connector information. Diagrams By Number
Normal Operation
The Accessory Protocol Interface Module (APIM) communicates with the scan tool through the High Speed Controller Area Network (HS-CAN).
This pinpoint test is intended to diagnose the following:
- Fuse
- Wiring, terminals or connectors
- APIM
PINPOINT TEST T: THE APIM DOES NOT RESPOND TO THE SCAN TOOL
NOTICE: Use the correct probe adapter(s) when making measurements. Failure to use the correct probe adapter(s) may damage the connector.
NOTE: Failure to disconnect the battery when instructed will result in false resistance readings. Refer to Battery, Mounting and Cables Battery Disconnect.
-------------------------------------------------
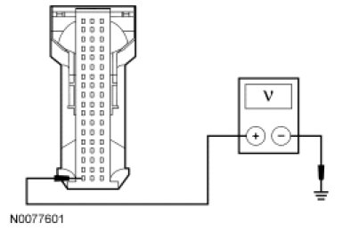
T1 CHECK THE APIM VOLTAGE SUPPLY CIRCUIT FOR AN OPEN
- Disconnect: APIM C3342.
- Ignition ON.
- Measure the voltage between the APIM C3342-1, circuit SBP14 (BN/RD), harness side and ground.
- Is the voltage greater than 10 volts?
Yes
GO to T2.
No
VERIFY the Smart Junction Box (SJB) fuse 14 (10A) is OK. If OK, REPAIR the circuit in question. If not OK, REFER to the Wiring Diagrams to identify the possible causes of the circuit short. CLEAR the DTCs. REPEAT the network test with the scan tool. Diagrams By Number
-------------------------------------------------
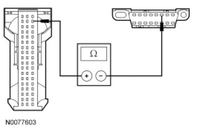
T2 CHECK THE APIM GROUND CIRCUITS FOR AN OPEN
- Ignition OFF.
- Disconnect: Negative Battery Cable.
- Measure the resistance between the APIM C3342-6, circuit GD114 (BK/BU), the APIM C3342-37, circuit GD114 (BK/BU), and between the APIM C3342-38, circuit GD114 (BK/BU), harness side and ground.
- Are the resistances less than 5 ohms?
Yes
GO to T3.
No
REPAIR the circuit in question. CONNECT the negative battery cable. CLEAR the DTCs. REPEAT the network test with the scan tool.
-------------------------------------------------
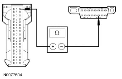
T3 CHECK THE HS-CAN CIRCUITS BETWEEN THE APIM AND THE DLC FOR AN OPEN
- Measure the resistance between the APIM C3342-53, circuit VDB04 (WH/BU), harness side and the Data Link Connector (DLC) C251-6, circuit VDB04 (WH/BU), harness side.
- Measure the resistance between the APIM C3342-54, circuit VDB05 (WH), harness side and the DLC C251-14, circuit VDB05 (WH), harness side.
- Are the resistances less than 5 ohms?
Yes
GO to T4.
No
REPAIR the circuit in question. CONNECT the negative battery cable. CLEAR the DTCs. REPEAT the network test with the scan tool.
-------------------------------------------------
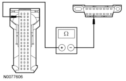
T4 CHECK THE MS-CAN CIRCUITS BETWEEN THE APIM AND THE DLC FOR AN OPEN
- Measure the resistance between the APIM C3342-16, circuit VDB06 (GY/OG), harness side and the DLC C251-3, circuit VDB06 (GY/OG), harness side.
- Measure the resistance between the APIM C3342-17, circuit VDB07 (VT/OG), harness side and the DLC C251-11, circuit VDB07 (VT/OG), harness side.
- Are the resistances less than 5 ohms?
Yes
CONNECT the negative battery cable. GO to T5.
No
REPAIR the circuit in question. CONNECT the negative battery cable. CLEAR the DTCs. REPEAT the network test with the scan tool.
-------------------------------------------------
T5 CHECK FOR CORRECT APIM OPERATION
- Disconnect all the APIM connectors.
- Check for:
- corrosion
- damaged pins
- pushed-out pins
- Connect all the APIM connectors and make sure they seat correctly.
- Operate the system and verify the concern is still present.
- Is the concern still present?
Yes
INSTALL a new APIM. REFER to Information and Entertainment Systems Accessory Protocol Interface Module (APIM). CLEAR the DTCs. REPEAT the network test with the scan tool.
No
The system is operating correctly at this time. The concern may have been caused by a loose or corroded connector.
-------------------------------------------------