Curiosii for ever!: Car repair manuals for everyone.

Pinpoint Test E: The Occupant Classification System (OCS) Module Does Not Respond To The Scan Tool




Communications Network

Pinpoint Tests

Pinpoint Test E: The Occupant Classification System (OCS) Module Does Not Respond To The Scan Tool

Refer to Wiring Diagram Set 14, Module Communications Network for schematic and connector information. Diagrams By Number

Refer to Wiring Diagram Set 46, Supplemental Restraint System for schematic and connector information. Diagrams By Number

Normal Operation

The Occupant Classification System (OCS) module communicates with the scan tool through the High Speed Controller Area Network (HS-CAN).

This pinpoint test is intended to diagnose the following:

- Fuse
- Wiring, terminals or connectors
- OCS module

PINPOINT TEST E: THE OCS MODULE DOES NOT RESPOND TO THE SCAN TOOL

NOTICE: Use the correct probe adapter(s) when making measurements. Failure to use the correct probe adapter(s) may damage the connector.

NOTE: The Supplemental Restraint System (SRS) must be fully operational and free of faults before releasing the vehicle to the customer.

NOTE: Most faults are due to connector and/or wiring concerns. Carry out a thorough inspection and verification before proceeding with the pinpoint test. Inspection and Verification

NOTE: Failure to disconnect the battery when instructed results in false resistance readings. Refer to Battery, Mounting and Cables Battery Disconnect.

-------------------------------------------------
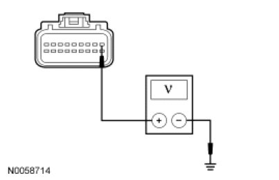
E1 CHECK THE OCS module VOLTAGE SUPPLY CIRCUIT FOR AN OPEN

- Ignition OFF.
- Disconnect: OCS module C3159.
- Ignition ON.
- Measure the voltage between the OCS module C3159-1, circuit CBX02 (BN/RD), harness side and ground.




- Is the voltage greater than 10 volts?

Yes
GO to E2.

No
VERIFY the Body Control Module (BCM) fuse 36 (10A) is OK. If OK, REPAIR the circuit. If not OK, REFER to the Wiring Diagrams to identify the possible causes of the circuit short. CONNECT the OCS module. CLEAR the DTCs. REPEAT the network test with the scan tool. Diagrams By Number

-------------------------------------------------
E2 CHECK THE OCS module GROUND CIRCUIT FOR AN OPEN

- Ignition OFF.
- Disconnect: Negative Battery Cable.
- Measure the resistance between the OCS module C3159-14, circuit GD901 (BK), harness side and ground.




- Is the resistance less than 5 ohms?

Yes
GO to E3.

No
REPAIR the circuit. CONNECT the negative battery cable. CLEAR the DTCs. REPEAT the network test with the scan tool.

-------------------------------------------------
E3 CHECK THE HS-CAN CIRCUITS BETWEEN THE OCS module AND THE DLC FOR AN OPEN

- Measure the resistance between the OCS module C3159-18, circuit VDB04 (WH/BU), harness side and the Data Link Connector (DLC) C251-6, circuit VDB04 (WH/BU), harness side.




- Measure the resistance between the OCS module C3159-9, circuit VDB05 (WH), harness side and the DLC C251-14, circuit VDB05 (WH), harness side.




- Are the resistances less than 5 ohms?

Yes
CONNECT the negative battery cable. GO to E4.

No
REPAIR the circuit. CONNECT the negative battery cable. CLEAR the DTCs. REPEAT the network test with the scan tool.

-------------------------------------------------
E4 CHECK FOR CORRECT OCS module OPERATION

- Disconnect the OCS module connector.
- Check for:
- corrosion
- damaged pins
- pushed-out pins
- Connect the OCS module connector and make sure it seats correctly.
- Verify the concern is still present.
- Is the concern still present?

Yes
INSTALL a new OCS module. REFER to Supplemental Restraint System Service and Repair. CLEAR the DTCs. REPEAT the network test with the scan tool.

No
The system is operating correctly at this time. The concern may have been caused by a loose or corroded connector.

-------------------------------------------------