Curiosii for ever!: Car repair manuals for everyone.

Seat - Exploded View, Front




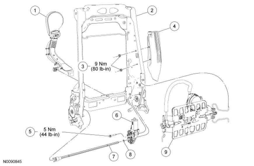
Seat - Exploded View, Front

Seat Side Shield - Power Seat Track With Manual Recline and Manual Lumbar, Regular Cab and Crew Cab

NOTE: LH shown, RH similar.









Seat Side Shield - Power Seat Track With Memory, Power Recline and Power Lumbar, Regular Cab and Crew Cab

NOTE: LH shown, RH similar.









Seat Side Shield - Manual Seat Track With Manual Lumbar, SuperCab

NOTE: RH shown, LH similar.









Seat Backrest - Trim Parts

NOTE: LH shown, RH similar.









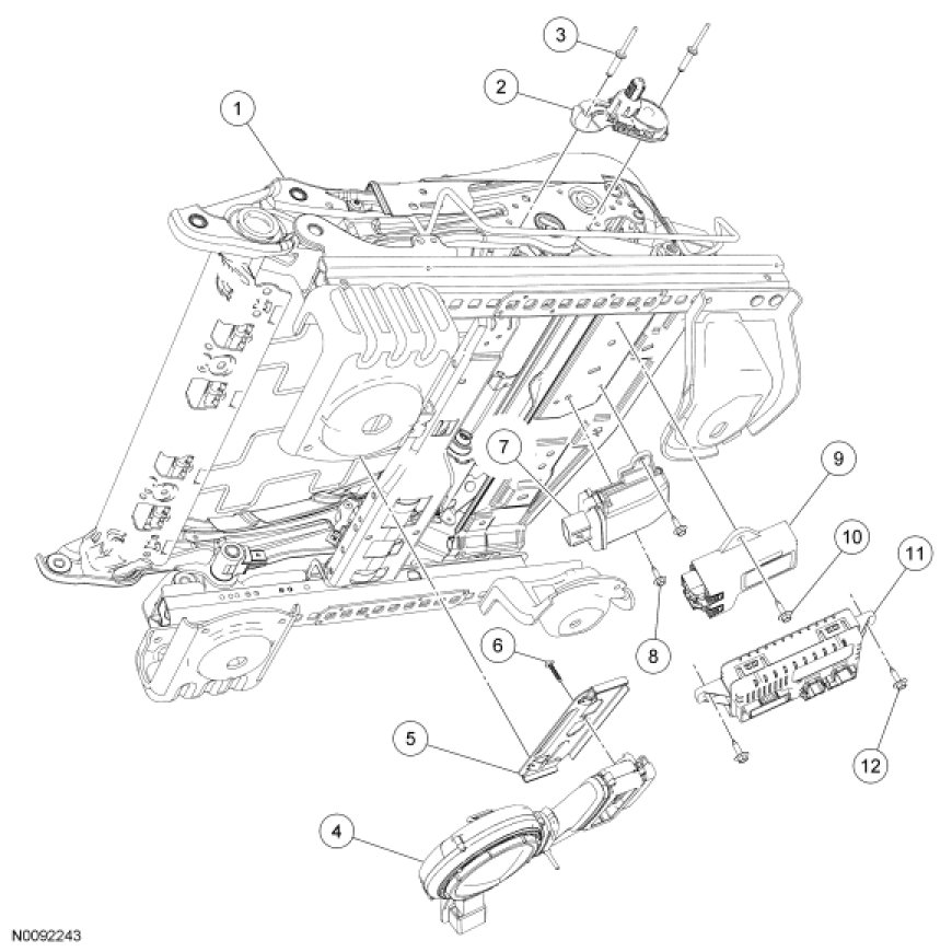
Seat Backrest - Frame Parts, Power Seat With Power Lumbar and Climate Controlled Seat System

NOTE: LH shown, RH similar.









Seat Backrest - Frame Parts, Manual Seat Without Adjustable Lumbar

NOTE: LH shown, RH similar.









Seat Cushion

NOTE: LH shown, RH similar.









Seat Track - Driver

NOTE: Power seat shown, manual similar.









Seat Track - Passenger

NOTE: Power seat shown, manual similar.