Curiosii for ever!: Car repair manuals for everyone.

Auxiliary Step / Running Board Module: Service and Repair




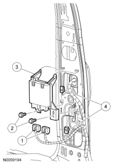
Power Running Board (PRB) Module









Removal and Installation

1. Remove the LH B-pillar trim panel. For additional information, refer to Interior Trim and Ornamentation B-Pillar Trim Panel.

2. Disconnect the Power Running Board (PRB) module electrical connectors.

3. Remove the 2 bolts and the PRB module assembly.

4. To install, reverse the removal procedure.