Curiosii for ever!: Car repair manuals for everyone.

Pinpoint Test AE: DTC B1318 (Front Display Interface Module (FDIM))




Information and Entertainment System

Pinpoint Tests

Pinpoint Test AE: DTC B1318 (Front Display Interface Module (FDIM))

Normal Operation
- DTC B1318 (Battery Voltage Low) - set by the Front Display Interface Module (FDIM) when the supply voltage falls below 10 volts for at least 10 seconds during normal operation.

This pinpoint test is intended to diagnose the following:

- Wiring, terminals or connectors
- High circuit resistance
- FDIM


PINPOINT TEST AE: DTC B1318 (FDIM)

NOTE: Failure to disconnect the battery when instructed will result in false resistance readings. Refer to Battery, Mounting and Cables Battery Disconnect.

-------------------------------------------------
AE1 RECHECK THE FDIM DTCs

- Ignition ON.
- Clear the FDIM DTCs.
- Wait at least 15 seconds.
- Repeat the FDIM self-test.
- Is DTC B1318 still present?

Yes
GO to AE2.

No
The system is operating correctly at this time. The DTC may have been set due to a previous low battery voltage condition.

-------------------------------------------------
AE2 CHECK FOR CHARGING SYSTEM DTCs IN THE PCM

- Retrieve the continuous DTCs from all modules.
- Is DTC P0620, P0622, P0625 or P065B set in the PCM?

Yes
REFER to Charging System Testing and Inspection.

No
GO to AE3.

-------------------------------------------------
AE3 CHECK THE BATTERY CONDITION AND STATE OF CHARGE

- Check the battery condition and verify that the battery is fully charged. Refer to Battery, Mounting and Cables Testing and Inspection.
- Is the battery OK and fully charged?

Yes
GO to AE4.

No
REFER to Battery, Mounting and Cables Testing and Inspection.

-------------------------------------------------
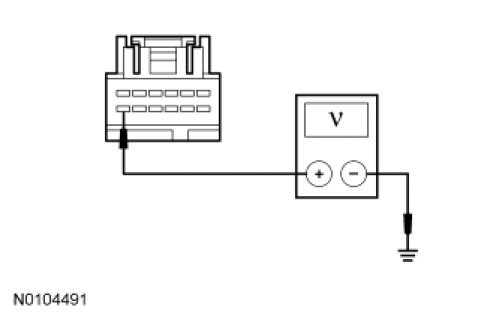
AE4 CHECK THE FDIM VOLTAGE SUPPLY

- Ignition OFF.
- Measure and record the voltage at the battery.
- Disconnect: FDIM C2123.
- Ignition ON.
- Measure the voltage between the FDIM C2123-12, circuit SBP14 (BN/RD), harness side and ground.





- Is the voltage at the FDIM within 0.2 volt of the recorded battery voltage?

Yes
GO to AE5.

No
REPAIR the circuit for high resistance. CLEAR the DTCs. REPEAT the self-test.

-------------------------------------------------
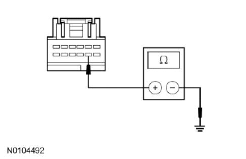
AE5 CHECK THE FDIM GROUND CIRCUIT

- Ignition OFF.
- Disconnect: Negative Battery Cable.
- Measure the resistance between the FDIM C2123-8, circuit GD114 (BK/BU), harness side and ground.





- Is the resistance less than 5 ohms?

Yes
GO to AE6.

No
REPAIR the circuit for high resistance. CLEAR the DTCs. REPEAT the self-test.

-------------------------------------------------
AE6 CHECK FOR CORRECT FDIM OPERATION

- Ignition OFF.
- Connect: Negative Battery Cable.
- Disconnect the FDIM connector.
- Check for:
- corrosion
- damaged pins
- pushed-out pins
- Connect the FDIM connector and make sure it seats correctly.
- Operate the system and determine if the concern is still present.
- Is the concern still present?

Yes
INSTALL a new FDIM. REFER to Front Display Interface Module (FDIM) Front Display Interface Module (FDIM). TEST the system for normal operation.

No
The system is operating correctly at this time. The concern may have been caused by a loose or corroded connector.

-------------------------------------------------