Curiosii for ever!
: Car repair manuals for everyone.
Home
>>
Ford Truck
>>
2011
>>
Escape 2WD V6-3.0L
>>
Repair and Diagnosis
>>
Diagrams
>>
Exploded Views
>>
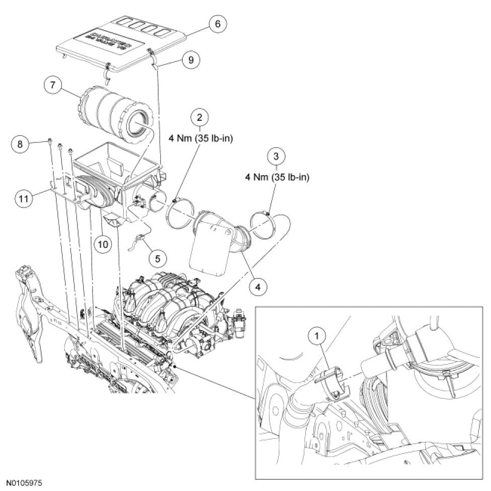
Air Filter Element
Air Filter Element
Intake Air System Components - Exploded View