Curiosii for ever!: Car repair manuals for everyone.

Pinpoint Test K: The Audio Control Module (ACM) Does Not Respond To The Scan Tool




Communications Network

Pinpoint Test K: The Audio Control Module (ACM) Does Not Respond To The Scan Tool

Normal Operation

The Audio Control Module (ACM) communicates with the scan tool through the HS-CAN (High Speed Controller Area Network). The IPC (Instrument Panel Cluster) is used as a gateway module.

This pinpoint test is intended to diagnose the following:

- Fuse

- Wiring, terminals or connectors

- ACM (Audio Control Module)

PINPOINT TEST K : THE ACM (Audio Control Module) DOES NOT RESPOND TO THE SCAN TOOL

NOTICE: Use the correct probe adapter(s) when making measurements. Failure to use the correct probe adapter(s) may damage the connector.

NOTE: Failure to disconnect the battery when instructed results in false resistance readings.

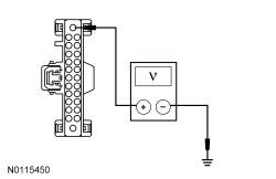
K1 CHECK THE ACM (Audio Control Module) VOLTAGE SUPPLY CIRCUIT FOR AN OPEN

- Ignition OFF.

- Disconnect: ACM (Audio Control Module) C240A.

- Ignition ON.

- Measure the voltage between the ACM (Audio Control Module) C240A-1, circuit SBP29 (GY/RD), harness side and ground.






Are the voltages greater than 10 volts?

Yes
GO to K2.

No
VERIFY the Body Control Module (BCM) fuse 29 (20A) is OK. If OK, REPAIR the circuit. If not OK, REFER to the Wiring Diagrams to identify the possible causes of the circuit short [1][2]Diagrams By Number. CLEAR the DTCs. REPEAT the network test with the scan tool.

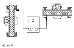
K2 CHECK THE ACM (Audio Control Module) GROUND CIRCUIT FOR AN OPEN

- Ignition OFF.

- Disconnect: Negative Battery Cable.

- Measure the resistance between the ACM (Audio Control Module) C240A-13, circuit GD114 (BK/BU), harness side and ground.






Is the resistance less than 5 ohms?

Yes
GO to K3.

No
REPAIR the circuit. CONNECT the negative battery cable. CLEAR the DTCs. REPEAT the network test with the scan tool.

K3 CHECK THE I-CAN (Infotainment Controller Area Network) CIRCUITS BETWEEN THE ACM (Audio Control Module) AND THE IPC (Instrument Panel Cluster) FOR AN OPEN

- Disconnect: IPC (Instrument Panel Cluster) C220.

- Measure the resistance between the ACM (Audio Control Module) C240A-14, circuit VDB13 (BU/GY), harness side and the IPC (Instrument Panel Cluster) C220-25, circuit VDB13 (BU/GY), harness side.






- Measure the resistance between the ACM (Audio Control Module) C240A-15, circuit VDB14 (VT/GY), harness side and the IPC (Instrument Panel Cluster) C220-26, circuit VDB14 (VT/GY), harness side.






Are the resistances less than 5 ohms?

Yes
CONNECT the negative battery cable. GO to K4.

No
REPAIR the circuit in question. CONNECT the negative battery cable. CLEAR the DTCs. REPEAT the network test with the scan tool.

K4 CHECK FOR CORRECT ACM (Audio Control Module) OPERATION

- Disconnect all the ACM (Audio Control Module) connectors.

- Check for:
- corrosion

- damaged pins

- pushed-out pins


- Connect all the ACM (Audio Control Module) connectors and make sure they are seated correctly.

- Operate the system and verify the concern is still present.

Is the concern still present?

Yes
INSTALL a new ACM (Audio Control Module). CLEAR the DTCs. REPEAT the network test with the scan tool. TEST the system for normal operation.

No
The system is operating correctly at this time. The concern may have been caused by a loose or corroded connector. CLEAR the DTCs. REPEAT the network test with the scan tool.