Curiosii for ever!: Car repair manuals for everyone.

Pinpoint Test C: The Cruise Control Switch Is Inoperative/Does Not Operate Correctly




Cruise Control

Pinpoint Test C: The Cruise Control Switch Is Inoperative/Does Not Operate Correctly

Normal Operation

The cruise control switches, which are integral to the LH steering wheel switch, use the Steering Column Control Module (SCCM) run/start voltage and the SCCM (Steering Column Control Module) ground. The cruise control functionality is controlled through the cruise control switches and is hardwired to the SCCM (Steering Column Control Module) through a signal and return circuit.

There are 3 toggle momentary contact cruise control switches with each switch operating a specific function that uses different resistance values. The SCCM (Steering Column Control Module) sends out a reference voltage to the cruise control switches and monitors the voltage drop when a cruise control switch is pressed. The voltage drop varies depending upon the resistance of each switch, providing a specific indication to the SCCM (Steering Column Control Module) of which switch is pressed. The SCCM (Steering Column Control Module) sends a network message over the High Speed Controller Area Network (HS-CAN) to the PCM relaying the switch status and requesting cruise control operation.

- B137F:09 (Steering Wheel Left Switch Pack: Component Failure)- A continuous and on-demand DTC that sets when one or more of the cruise control switches are stuck.

- B137F:11 (Steering Wheel Left Switch Pack: Circuit Short To Ground)- A continuous and on-demand DTC that sets when the cruise control switch circuits are shorted to ground.

- B137F:17 (Steering Wheel Left Switch Pack: Circuit Voltage Above Threshold)- A continuous and on-demand DTC that sets when the cruise control switch circuits are shorted to voltage.

This pinpoint test is intended to diagnose the following:

- Wiring, terminals or connectors

- Clockspring

- Cruise control switches (part of the message center switch)

- SCCM (Steering Column Control Module)

PINPOINT TEST C : THE CRUISE CONTROL SWITCH IS INOPERATIVE/DOES NOT OPERATE CORRECTLY

NOTICE: Use the correct probe adapter(s) when making measurements. Failure to use the correct probe adapter(s) may damage the connector.

C1 CHECK THE CRUISE CONTROL SWITCH

- Ignition ON.

- Enter the following diagnostic mode on the scan tool: SCCM (Steering Column Control Module) DataLogger.

- Press each cruise control switch while monitoring the cruise control switch PID (SCCS).

Cruise Control Switches - Without Adaptive Cruise

Cruise Control Switch SCCS PID Value- None Pressed RES RESUME CNCL CANCEL ON/OFF (pressed up) On ON/OFF (pressed down) Off SET (pressed up) SET/+ SET (pressed down) SET/-

Cruise Control Switches - With Adaptive Cruise

Cruise Control Switch SCCS PID Value- None Pressed RES/CNCL RESUME/CANCEL ON/OFF On/Off SET (pressed up) SET/+ SET (pressed down) SET/- GAP (pressed up) GAP- GAP (pressed down) GAP+

Does the PID value agree with the switch position?

Yes
GO to C5.

No
If only one switch value does not display the correct PID value, INSTALL a new LH steering wheel switch. TEST the system for normal operation. Otherwise, GO to C2.

C2 CHECK FOR VOLTAGE TO THE CRUISE CONTROL SWITCHES

- Ignition OFF.

- Remove the driver air bag module.

- Disconnect: LH Steering Wheel Controls C2998.

- Ignition ON.

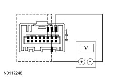
- Measure the voltage between the LH steering wheel switch as follows:

LH Steering Wheel Controls LH Steering Wheel Controls C2998-4 C2998-1 C2998-6 C2998-1 C2998-8 C2998-1





Is the voltage approximately 5 volts?

Yes
INSTALL a new LH steering wheel switch. CLEAR the DTCs. TEST the system for normal operation.

No
GO to C3.

C3 CHECK FOR VOLTAGE TO THE CLOCKSPRING

- Ignition OFF.

- Disconnect: Clockspring C218B.

- Ignition ON.

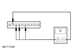
- Measure the voltage between the clockspring component side as follows:

Clockspring Component Side Clockspring Component Side C218B-6 C218B-8 C218B-7 C218B-8 C218B-15 C218B-8





Is the voltage approximately 5 volts?

Yes
INSTALL a new steering wheel. INSTALL the driver air bag module. TEST the system for normal operation.

No
GO to C4.

C4 CHECK FOR VOLTAGE AT THE SCCM (Steering Column Control Module)

- Ignition OFF.

- Remove the clockspring.

- Ignition ON.

- Measure the voltage between the SCCM (Steering Column Control Module) component side as follows:

Clockspring Component Side Clockspring Component Side C2414D-5 C2414D-9 C2414D-7 C2414D-9 C2414D-8 C2414D-9





Is the voltage approximately 5 volts?

Yes
INSTALL a new clockspring. TEST the system for normal operation.

No
GO to C5.

C5 CHECK FOR CORRECT SCCM (Steering Column Control Module) OPERATION

- Disconnect all the SCCM (Steering Column Control Module) connectors.

- Check for:
- corrosion

- damaged pins

- pushed-out pins


- Connect all the SCCM (Steering Column Control Module) connectors and make sure they are seated correctly.

- Connect: All Disconnected Connectors.

- Install the driver air bag module.

- Operate the system and verify the concern is still present.

Is the concern still present?

Yes
INSTALL a new SCCM (Steering Column Control Module). INSTALL the driver air bag module. CLEAR the DTCs. TEST the system for normal operation.

No
The system is operating correctly at this time. The concern may have been caused by a loose or corroded connector. CLEAR the DTCs. REPEAT the self-test.