Curiosii for ever!: Car repair manuals for everyone.

Pinpoint Test H: The Instrument Panel Cluster (IPC) Does Not Respond To The Scan Tool




Communications Network

Pinpoint Test H: The Instrument Panel Cluster (IPC) Does Not Respond To The Scan Tool

Normal Operation

The Instrument Panel Cluster (IPC) communicates with the scan tool through the High Speed Controller Area Network (HS-CAN).

This pinpoint test is intended to diagnose the following:

- Fuse

- Wiring, terminals or connectors

- IPC (Instrument Panel Cluster)

PINPOINT TEST H : THE IPC (Instrument Panel Cluster) DOES NOT RESPOND TO THE SCAN TOOL

NOTICE: Use the correct probe adapter(s) when making measurements. Failure to use the correct probe adapter(s) may damage the connector.

NOTE: Failure to disconnect the battery when instructed results in false resistance readings.

H1 CHECK THE IPC (Instrument Panel Cluster) VOLTAGE SUPPLY CIRCUIT FOR AN OPEN

- Disconnect: IPC (Instrument Panel Cluster) C220.

- Ignition ON.

- Measure the voltage between the IPC (Instrument Panel Cluster) C220-21, circuit SBP11 (BU/RD), harness side and ground.






Is the voltage greater than 10 volts?

Yes
GO to H2.

No
VERIFY the BCM (Body Control Module) fuse 11 (10A) is OK. If OK, REPAIR the circuit. If not OK, REFER to the Wiring Diagrams to identify the possible causes of the circuit short [1][2]Diagrams By Number. CLEAR the DTCs. REPEAT the network test with the scan tool

H2 CHECK THE IPC (Instrument Panel Cluster) GROUND CIRCUIT FOR AN OPEN

- Ignition OFF.

- Disconnect: Negative Battery Cable.

- Measure the resistance between the IPC (Instrument Panel Cluster) C220-5, circuit GD115 (BK/GY), harness side and ground.






Are the resistances less than 5 ohms?

Yes
GO to H3.

No
REPAIR the circuit. CONNECT the negative battery cable. CLEAR the DTCs. REPEAT the network test with the scan tool.

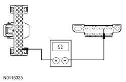
H3 CHECK THE HS-CAN (High Speed Controller Area Network) CIRCUITS BETWEEN THE IPC (Instrument Panel Cluster) AND THE DLC (Data Link Connector) FOR AN OPEN

- Measure the resistance between the IPC (Instrument Panel Cluster) C220-12, circuit VDB04 (WH/BU), harness side and the DLC (Data Link Connector) C251-6, circuit VDB04 (WH/BU), harness side.






- Measure the resistance between the IPC (Instrument Panel Cluster) C220-13, circuit VDB05 (WH), harness side and the DLC (Data Link Connector) C251-14, circuit VDB05 (WH), harness side.






Are the resistances less than 5 ohms?

Yes
GO to H4.

No
REPAIR the circuit in question. CONNECT the negative battery cable. CLEAR the DTCs. REPEAT the network test with the scan tool.

H4 CHECK THE I-CAN (Infotainment Controller Area Network) CIRCUITS BETWEEN THE IPC (Instrument Panel Cluster) AND THE DLC (Data Link Connector) FOR AN OPEN

- Measure the resistance between the IPC (Instrument Panel Cluster) C220-25, circuit VDB13 (BU/GY), harness side and the DLC (Data Link Connector) C251-1, circuit VDB13 (BU/GY), harness side.






- Measure the resistance between the IPC (Instrument Panel Cluster) C220-26, circuit VDB14 (VT/GY), harness side and the DLC (Data Link Connector) C251-9, circuit VDB14 (VT/GY), harness side.






Are the resistances less than 5 ohms?

Yes
GO to H5.

No
REPAIR the circuit in question. CONNECT the negative battery cable. CLEAR the DTCs. REPEAT the network test with the scan tool.

H5 CHECK FOR CORRECT IPC (Instrument Panel Cluster) OPERATION

- Disconnect the IPC (Instrument Panel Cluster) connector.

- Check for:
- corrosion

- damaged pins

- pushed-out pins


- Connect the IPC (Instrument Panel Cluster) connector and make sure it seats correctly.

- Operate the system and verify the concern is still present.

Is the concern still present?

Yes
INSTALL a new IPC (Instrument Panel Cluster). CLEAR the DTCs. REPEAT the network test with the scan tool.

No
The system is operating correctly at this time. The concern may have been caused by a loose or corroded connector. CLEAR the DTCs. REPEAT the network test with the scan tool.