Curiosii for ever!
: Car repair manuals for everyone.
Home
>>
Ford Truck
>>
2010
>>
Ranger 2WD L4-2.3L
>>
Repair and Diagnosis
>>
Diagrams
>>
Exploded Views
>>
Seat Temperature Control Module
Seat Temperature Control Module
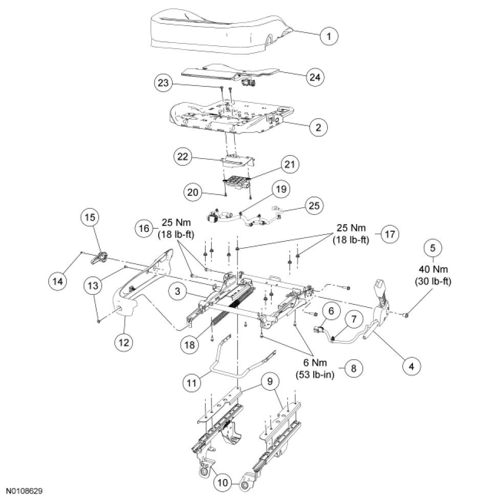
Seat - Exploded View, Front
Seat Backrest, 40 and 60 Percent
NOTE:
RH shown, LH similar.
Seat Cushion, Driver, 40 Percent
Seat Cushion, Driver, 60 Percent
Seat Cushion, Passenger
Seat Armrest, 60 Percent