Curiosii for ever!: Car repair manuals for everyone.

Pinpoint Test D: Flash Code 2 - Stoplamp Switch Circuit Failure




Cruise Control

Pinpoint Test

Pinpoint Test D: Flash Code 2 - Stoplamp Switch Circuit Failure

Refer to Wiring Diagram Set 31, Speed Control for schematic and connector information. Diagrams By Number

Normal Operation

When the brake pedal and the clutch pedal (if equipped) are both released, a signal voltage from the cruise control actuator routes to ground through the stoplamp switch. When the brake pedal is applied, voltage is routed to the cruise control actuator. This voltage signals the cruise control actuator to disengage the cruise control. When the clutch pedal (if equipped) is pressed, the Clutch Pedal Position (CPP) switch opens, causing the cruise control actuator to disengage the cruise control.

Flash code 2 sets when the cruise control actuator senses an open or a short to ground in the stoplamp switch circuits.

This pinpoint test is intended to diagnose the following:

- Wiring, terminals or connectors
- CPP switch
- Stoplamp switch
- Cruise control actuator



PINPOINT TEST D: FLASH CODE 2 - STOPLAMP SWITCH CIRCUIT FAILURE

NOTICE: Use the correct probe adapter(s) when making measurements. Failure to use the correct probe adapter(s) may damage the connectors.

-------------------------------------------------
D1 CHECK THE STOPLAMP OPERATION


- Apply and release the brake pedal while observing the stoplamps.
- Do the stoplamps operate correctly?

Yes
GO to D2.

No
REFER to Lighting and Horns to continue diagnosis of the stoplamps.

-------------------------------------------------
D2 CHECK THE STOPLAMP SWITCH CIRCUIT


- Ignition OFF.
- Disconnect: Cruise Control Actuator C122.
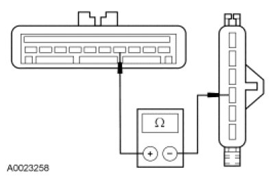
- Measure the resistance between the cruise control actuator C122-4, circuit CCB15 (BN/GN), harness side and the cruise control actuator C122-10, circuit GD123 (BK/GY), harness side.




- Is the resistance less than 5 ohms?

Yes
INSTALL a new cruise control actuator. REFER to Cruise Control Actuator Service and Repair. REPEAT the self-test.

No
If equipped with a manual transmission, GO to D3.

Otherwise, GO to D5.

-------------------------------------------------
D3 CHECK THE STOPLAMP SWITCH SIGNAL CIRCUIT FOR AN OPEN TO THE CPP SWITCH


- Disconnect: CPP Switch C257 .
- Measure the resistance between the CPP switch C257-4, circuit CCB15 (BN/GN), harness side and ground.




- Is the resistance less than 5 ohms?

Yes
GO to D4.

No
GO to D5.

-------------------------------------------------
D4 CHECK THE STOPLAMP SWITCH SIGNAL CIRCUIT FOR AN OPEN


- Measure the resistance between the cruise control actuator C122-4, circuit CCB15 (BN/GN), harness side and the CPP switch (or jumper plug) C257-3, circuit CCB15 (BN/GN), harness side.




- Is the resistance less than 5 ohms?

Yes
INSTALL a new CPP switch (or jumper plug). REFER to Computers and Control Systems. REPEAT the self-test.

No
REPAIR the circuit. REPEAT the self-test.

-------------------------------------------------
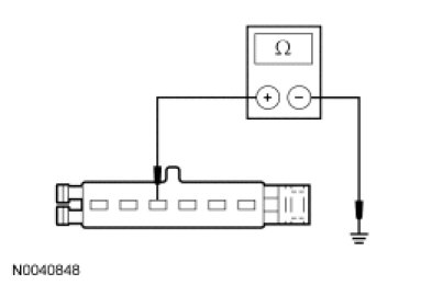
D5 CHECK THE STOPLAMP GROUND CIRCUIT FOR AN OPEN


- Disconnect: Stoplamp Switch C278.
- Measure the resistance between the stoplamp switch C278-5, circuit GD161 (BK/YE), harness side and ground.




- Is the resistance less than 5 ohms?

Yes
GO to D6.

No
REPAIR the circuit. REPEAT the self-test.

-------------------------------------------------
D6 CHECK THE STOPLAMP SWITCH


- Disconnect: Stoplamp Switch C278.
- Install a fused jumper wire between the stoplamp switch C278-4, circuit CCB15 (BN/GN), harness side and the stoplamp switch C278-5, circuit GD161 (BK/YE), harness side.




- Measure the resistance between the cruise control actuator C122-4, circuit CCB15 (BN/GN), harness side and the cruise control actuator, circuit GD123 (BK/GY), harness side.




- Is the resistance less than 5 ohms?

Yes
INSTALL a new stoplamp switch. REPEAT the self-test.

No
REPAIR the circuit. REPEAT the self-test.

-------------------------------------------------