Curiosii for ever!: Car repair manuals for everyone.

Utility Storage Compartment




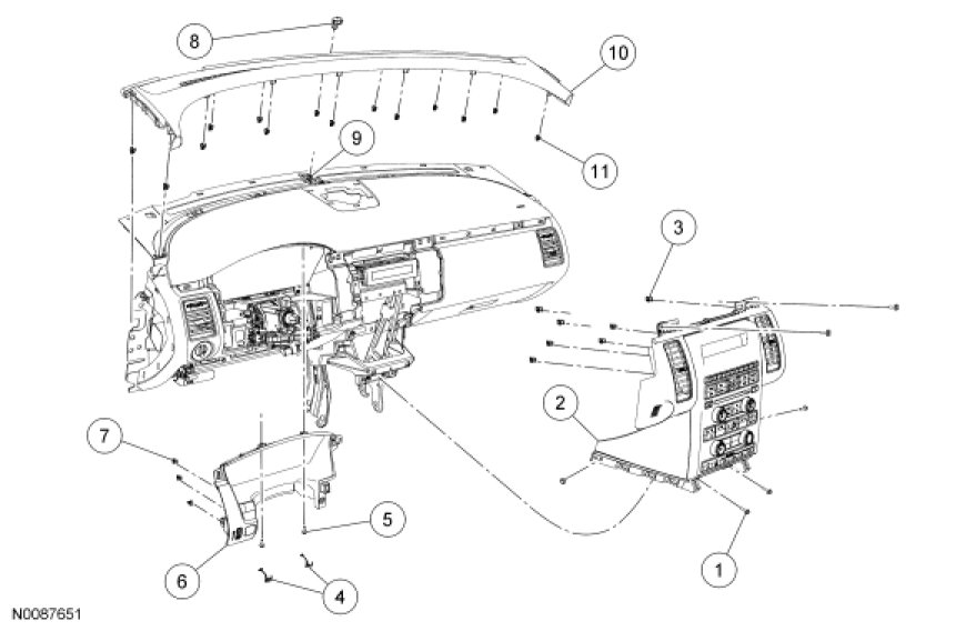
Instrument Panel - Exploded View

Instrument Panel Finish Panels and Fasteners









Instrument Panel Trim Panels, Finish Panels and Electrical Connectors









Instrument Panel and Instrument Cluster Finish Panels









Instrument Panel Upper Section