Curiosii for ever!: Car repair manuals for everyone.

Part 1




Communications Network

Pinpoint Tests

Pinpoint Test V: No High Speed Controller Area Network (HS-CAN) Communication, All Modules Are Not Responding

Refer to Wiring Diagram Set 14, Module Communications Network for schematic and connector information. Diagrams By Number

Normal Operation

The High Speed Controller Area Network (HS-CAN) uses an unshielded twisted pair cable.

This pinpoint test is intended to diagnose the following:

- Wiring, terminals or connectors
- 4X4 control module
- ABS module
- Accessory Protocol Interface Module (APIM)
- Instrument Cluster (IC)
- Occupant Classification System Module (OCSM)
- Parking Aid Module (PAM)
- PCM
- Power Steering Control Module (PSCM)
- Restraints Control Module (RCM)
- Steering Angle Sensor Module (SASM)



PINPOINT TEST V: NO HS-CAN COMMUNICATION, ALL MODULES ARE NOT RESPONDING

NOTICE: Use the correct probe adapter(s) when making measurements. Failure to use the correct probe adapter(s) may damage the connector.

NOTE: Most faults are due to connector and/or wiring concerns. Carry out a thorough inspection and verification before proceeding with the pinpoint test. Inspection and Verification

NOTE: Failure to disconnect the battery when instructed will result in false resistance readings. Refer to Battery.

-------------------------------------------------
V1 CHECK THE DLC PINS FOR DAMAGE


- Ignition OFF.
- Disconnect the scan tool cable from the Data Link Connector (DLC).
- Inspect DLC pins 6 and 14 for damage.




- Are DLC pins 6 and 14 OK?

Yes
GO to V2.

No
REPAIR the DLC as necessary. CLEAR the DTCs. REPEAT the network test with the scan tool.

-------------------------------------------------
V2 CHECK THE HS-CAN TERMINATION RESISTANCE


- Ignition OFF.
- Disconnect: Negative Battery Cable.
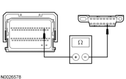
- Measure the resistance between the DLC C251-6, circuit VDB04 (WH/BU), harness side and the DLC C251-14, circuit VDB05 (WH), harness side.




- Is the resistance between 54 and 66 ohms?

Yes
GO to V3.

No
GO to V5.

-------------------------------------------------
V3 CHECK THE HS-CAN (+) AND HS-CAN (-) CIRCUITS FOR A SHORT TO GROUND


- Measure the resistance between the DLC C251-6, circuit VDB04 (WH/BU), harness side and ground; and between the DLC C251-14, circuit VDB05 (WH), harness side and ground.




- Are the resistances greater than 1,000 ohms?

Yes
GO to V4.

No
GO to V21.

-------------------------------------------------
V4 CHECK THE HS-CAN (+) AND HS-CAN (-) CIRCUITS FOR A SHORT TO VOLTAGE


- Connect: Negative Battery Cable.
- Ignition ON.
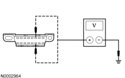
- Measure the voltage between the DLC C251-6, circuit VDB04 (WH/BU), harness side and ground; and between the DLC C251-14, circuit VDB05 (WH), harness side and ground.




- Are the voltages greater than 6 volts?

Yes
REPAIR the circuit in question. CLEAR the DTCs. REPEAT the network test with the scan tool.

No
The Controller Area Network (CAN) has tested within specifications. GO to Pinpoint Test U to diagnose an intermittent HS-CAN fault. Pinpoint Test U: Intermittent No High Speed Controller Area Network (HS-CAN) Communication, Communication Can Be Intermittently

-------------------------------------------------
V5 CHECK THE HS-CAN TERMINATION RESISTOR


- Measure the resistance between the DLC C251-6, circuit VDB04 (WH/BU), harness side and the DLC C251-14, circuit VDB05 (WH), harness side.




- Is the resistance between 108 and 132 ohms?

Yes
GO to V6.

No
GO to V9.

-------------------------------------------------
V6 CHECK THE HS-CAN TERMINATION RESISTOR WITH THE PCM DISCONNECTED


- Disconnect: PCM C175b or C1381b.
- Measure the resistance between the DLC C251-6, circuit VDB04 (WH/BU), harness side and the DLC C251-14, circuit VDB05 (WH), harness side.




- Is the resistance between 108 and 132 ohms?

Yes
GO to V7.

No
GO to V8.

-------------------------------------------------
V7 CHECK THE HS-CAN CIRCUITS BETWEEN THE PCM AND THE DLC FOR AN OPEN


- For 3.5L, measure the resistance between the PCM C175b-2, circuit VDB04 (WH/BU), harness side and the DLC C251-6, circuit VDB04 (WH/BU), harness side.




- For 3.5L, measure the resistance between the PCM C175b-3, circuit VDB05 (WH), harness side and the DLC C251-14, circuit VDB05 (WH), harness side.




- For 3.5L GTDI, measure the resistance between the PCM C1381b-59, circuit VDB04 (WH/BU), harness side and the DLC C251-6, circuit VDB04 (WH/BU), harness side.




- For 3.5L GTDI, measure the resistance between the PCM C1381b-58, circuit VDB05 (WH), harness side and the DLC C251-14, circuit VDB05 (WH), harness side.




- Are the resistances less than 5 ohms?

Yes
CONNECT the negative battery cable. GO to V31.

No
REPAIR the circuit in question. CONNECT the negative battery cable. CLEAR the DTCs. REPEAT the network test with the scan tool.

-------------------------------------------------
V8 CHECK THE HS-CAN CIRCUITS BETWEEN THE IC AND THE DLC FOR AN OPEN


- Disconnect: IC C220.
- Measure the resistance between the IC C220-25, circuit VDB04 (WH/BU), harness side and the DLC C251-6, circuit VDB04 (WH/BU), harness side.




- Measure the resistance between the IC C220-26, circuit VDB05 (WH), harness side and the DLC C251-14, circuit VDB05 (WH), harness side.




- Are the resistances less than 5 ohms?

Yes
CONNECT the negative battery cable. GO to V39.

No
REPAIR the circuit in question. CONNECT the negative battery cable. CLEAR the DTCs. REPEAT the network test with the scan tool.

-------------------------------------------------
V9 CHECK THE HS-CAN (+) AND HS-CAN (-) CIRCUITS FOR A SHORT TOGETHER


- Measure the resistance between the DLC C251-6, circuit VDB04 (WH/BU), harness side and the DLC C251-14, circuit VDB05 (WH), harness side.




- Is the resistance less than 5 ohms?

Yes
GO to V11.

No
GO to V10.

-------------------------------------------------
V10 CHECK THE HS-CAN CIRCUITS BETWEEN THE PCM AND THE DLC FOR AN OPEN


- For 3.5L, measure the resistance between the PCM C175b-2, circuit VDB04 (WH/BU), harness side and the DLC C251-6, circuit VDB04 (WH/BU), harness side.




- For 3.5L, measure the resistance between the PCM C175b-3, circuit VDB05 (WH), harness side and the DLC C251-14, circuit VDB05 (WH), harness side.




- For 3.5L GTDI, measure the resistance between the PCM C1381b-59, circuit VDB04 (WH/BU), harness side and the DLC C251-6, circuit VDB04 (WH/BU), harness side.




- For 3.5L GTDI, measure the resistance between the PCM C1381b-58, circuit VDB05 (WH), harness side and the DLC C251-14, circuit VDB05 (WH), harness side.




- Are the resistances less than 5 ohms?

Yes
The CAN has tested within specifications. CONNECT the negative battery cable. VERIFY the scan tool operation on a substitute vehicle, and REPEAT the network test on the suspect vehicle.

No
A capacitor internal to a module may still be draining causing irregular resistance readings. WAIT 5 minutes. REPEAT the pinpoint test.

-------------------------------------------------
V11 CHECK THE HS-CAN (+) AND HS-CAN (-) CIRCUITS FOR A SHORT TOGETHER WITH THE PCM DISCONNECTED


- Disconnect: PCM C175b or C1381b.
- Measure the resistance between the DLC C251-6, circuit VDB04 (WH/BU), harness side and the DLC C251-14, circuit VDB05 (WH), harness side.




- Is the resistance less than 5 ohms?

Yes
If the vehicle is equipped with a Parking Aid Module (PAM), GO to V12.

If the vehicle is not equipped with a PAM, GO to V13.

No
CONNECT the negative battery cable. GO to V31.

-------------------------------------------------
V12 CHECK THE HS-CAN (+) AND HS-CAN (-) CIRCUITS FOR A SHORT TOGETHER WITH THE PAM DISCONNECTED


- Disconnect: PAM C3267.
- Measure the resistance between the DLC C251-6, circuit VDB04 (WH/BU), harness side and the DLC C251-14, circuit VDB05 (WH), harness side.




- Is the resistance less than 5 ohms?

Yes
GO to V14.

No
CONNECT the negative battery cable. GO to V32.

-------------------------------------------------
V13 CHECK THE HS-CAN (+) AND HS-CAN (-) CIRCUITS FOR A SHORT TOGETHER WITH THE ABS MODULE DISCONNECTED


- Disconnect: ABS Module C135.
- Measure the resistance between the DLC C251-6, circuit VDB04 (WH/BU), harness side and the DLC C251-14, circuit VDB05 (WH), harness side.




- Is the resistance less than 5 ohms?

Yes
If the vehicle is equipped with a 4X4 control module, GO to V14.

If the vehicle is not equipped with a 4X4 control module, GO to V15.

No
CONNECT the negative battery cable. GO to V33.

-------------------------------------------------
V14 CHECK THE HS-CAN (+) AND HS-CAN (-) CIRCUITS FOR A SHORT TOGETHER WITH THE 4X4 CONTROL MODULE DISCONNECTED


- Disconnect: 4X4 Control Module C281.
- Measure the resistance between the DLC C251-6, circuit VDB04 (WH/BU), harness side and the DLC C251-14, circuit VDB05 (WH), harness side.




- Is the resistance less than 5 ohms?

Yes
GO to V15.

No
CONNECT the negative battery cable. GO to V34.

-------------------------------------------------
V15 CHECK THE HS-CAN (+) AND HS-CAN (-) CIRCUITS FOR A SHORT TOGETHER WITH THE RCM DISCONNECTED


- Disconnect: RCM C310b.
- Measure the resistance between the DLC C251-6, circuit VDB04 (WH/BU), harness side and the DLC C251-14, circuit VDB05 (WH), harness side.




- Is the resistance less than 5 ohms?

Yes
If the vehicle is equipped with a Steering Angle Sensor Module (SASM), GO to V16.

If the vehicle is not equipped with a SASM, GO to V17.

No
CONNECT the negative battery cable. GO to V35.

-------------------------------------------------
V16 CHECK THE HS-CAN (+) AND HS-CAN (-) CIRCUITS FOR A SHORT TOGETHER WITH THE SASM DISCONNECTED


- Disconnect: SASM C2412.
- Measure the resistance between the DLC C251-6, circuit VDB04 (WH/BU), harness side and the DLC C251-14, circuit VDB05 (WH), harness side.




- Is the resistance less than 5 ohms?

Yes
GO to V17.

No
CONNECT the negative battery cable. GO to V36.

-------------------------------------------------
V17 CHECK THE HS-CAN (+) AND HS-CAN (-) CIRCUITS FOR A SHORT TOGETHER WITH THE OCSM DISCONNECTED


- Disconnect: OCSM C3159.
- Measure the resistance between the DLC C251-6, circuit VDB04 (WH/BU), harness side and the DLC C251-14, circuit VDB05 (WH), harness side.




- Is the resistance less than 5 ohms?

Yes
If the vehicle is equipped with a Power Steering Control Module (PSCM), GO to V18.

If the vehicle is not equipped with a PSCM, GO to V19.

No
CONNECT the negative battery cable. GO to V37.

-------------------------------------------------
V18 CHECK THE HS-CAN (+) AND HS-CAN (-) CIRCUITS FOR A SHORT TOGETHER WITH THE PSCM DISCONNECTED


- Disconnect: PSCM C1463a.
- Measure the resistance between the DLC C251-6, circuit VDB04 (WH/BU), harness side and the DLC C251-14, circuit VDB05 (WH), harness side.




- Is the resistance less than 5 ohms?

Yes
GO to V19.

No
CONNECT the negative battery cable. GO to V38.

-------------------------------------------------
V19 CHECK THE HS-CAN (+) AND HS-CAN (-) CIRCUITS FOR A SHORT TOGETHER WITH THE IC DISCONNECTED


- Disconnect: IC C220.
- Measure the resistance between the DLC C251-6, circuit VDB04 (WH/BU), harness side and the DLC C251-14, circuit VDB05 (WH), harness side.




- Is the resistance less than 5 ohms?

Yes
If the vehicle is equipped with an APIM, GO to V20.

If the vehicle is not equipped with a APIM, REPAIR the circuits. CONNECT all modules. CONNECT the negative battery cable. CLEAR the DTCs. REPEAT the network test with the scan tool.

No
CONNECT the negative battery cable. GO to V39.

-------------------------------------------------
V20 CHECK THE HS-CAN (+) AND HS-CAN (-) CIRCUITS FOR A SHORT TOGETHER WITH THE APIM DISCONNECTED


- Disconnect: APIM C3342.
- Measure the resistance between the DLC C251-6, circuit VDB04 (WH/BU), harness side and the DLC C251-14, circuit VDB05 (WH), harness side.




- Is the resistance less than 5 ohms?

Yes
REPAIR the circuits. CONNECT all modules. CONNECT the negative battery cable. CLEAR the DTCs. REPEAT the network test with the scan tool.

No
CONNECT the negative battery cable. GO to V40.

-------------------------------------------------