Curiosii for ever!: Car repair manuals for everyone.

Pinpoint Test O: The Driver Seat Module (DSM) Does Not Respond To The Scan Tool




Communications Network

Pinpoint Tests

Pinpoint Test O: The Driver Seat Module (DSM) Does Not Respond To The Scan Tool

Refer to Wiring Diagram Set 14, Module Communications Network for schematic and connector information. Diagrams By Number

Refer to Wiring Diagram Set 123, Memory Seats for schematic and connector information. Diagrams By Number

Normal Operation

The Driver Seat Module (DSM) communicates with the scan tool through the Medium Speed Controller Area Network (MS-CAN).

This pinpoint test is intended to diagnose the following:

- Fuse
- Wiring, terminals or connectors
- DSM



PINPOINT TEST O: THE DSM DOES NOT RESPOND TO THE SCAN TOOL

NOTICE: Use the correct probe adapter(s) when making measurements. Failure to use the correct probe adapter(s) may damage the connector.

NOTE: Failure to disconnect the battery when instructed will result in false resistance readings. Refer to Battery.

-------------------------------------------------
O1 CHECK THE DSM VOLTAGE SUPPLY CIRCUITS FOR AN OPEN


- Ignition OFF.
- Disconnect: DSM C341a.
- Disconnect: DSM C341b.
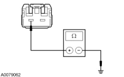
- Measure the voltage between the DSM C341a-1, circuit CBX05 (VT/RD), harness side and ground.




- Measure the voltage between the DSM C341b-1, circuit CBX03 (BU/RD), harness side and ground.




- Are the voltages greater than 10 volts?

Yes
GO to O2.

No
VERIFY the Battery Junction Box (BJB) fuse 32 (30A) or the Smart Junction Box (SJB) fuse 13 (5A) is OK. If OK, REPAIR the circuit in question. If not OK, REFER to the Wiring Diagrams to identify the possible causes of the circuit short. CLEAR the DTCs. REPEAT the network test with the scan tool. Diagrams By Number

-------------------------------------------------
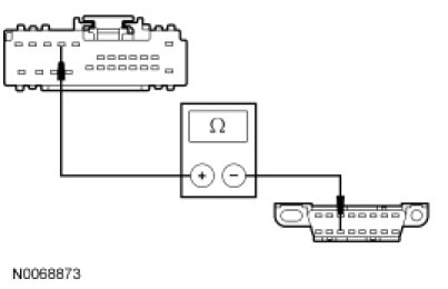
O2 CHECK THE DSM GROUND CIRCUITS FOR AN OPEN


- Ignition OFF.
- Disconnect: Negative Battery Cable.
- Measure the resistance between the DSM C341a-2, circuit GD906 (BK/GY), harness side and ground.




- Measure the resistance between the DSM C341b-24, circuit GD905 (BK/GN), harness side and ground.




- Are the resistances less than 5 ohms?

Yes
GO to O3.

No
REPAIR the circuit in question. CONNECT the negative battery cable. CLEAR the DTCs. REPEAT the network test with the scan tool.

-------------------------------------------------
O3 CHECK THE MS-CAN CIRCUITS BETWEEN THE DSM AND THE DLC FOR AN OPEN


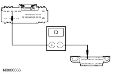
- Disconnect: DSM C341d.
- Measure the resistance between the DSM C341d-10, circuit VDB06 (GY/OG), harness side and the Data Link Connector (DLC) C251-3, circuit VDB06 (GY/OG), harness side.




- Measure the resistance between the DSM C341d-9, circuit VDB07 (VT/OG), harness side and the DLC C251-11, circuit VDB07 (VT/OG), harness side.




- Are the resistances less than 5 ohms?

Yes
CONNECT the negative battery cable. GO to O4.

No
REPAIR the circuit in question. CONNECT the negative battery cable. CLEAR the DTCs. REPEAT the network test with the scan tool.

-------------------------------------------------
O4 CHECK FOR CORRECT DSM OPERATION


- Disconnect all the DSM connectors.
- Check for:
- corrosion
- damaged pins
- pushed-out pins
- Connect all the DSM connectors and make sure they seat correctly.
- Operate the system and verify the concern is still present.
- Is the concern still present?

Yes
INSTALL a new DSM. REFER to Body Control Systems. REPEAT the network test with the scan tool.

No
The system is operating correctly at this time. The concern may have been caused by a loose or corroded connector.

-------------------------------------------------