Curiosii for ever!: Car repair manuals for everyone.

Knock Sensor: Service and Repair




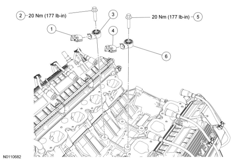
Knock Sensor (KS) - 6.2L (2V)









Removal and Installation

1. Remove the intake manifold. For additional information, refer to Engine.

2. Disconnect the 2 Knock Sensor (KS) electrical connectors.

3. Remove the 2 bolts and the 2 KS sensors.
- To install, tighten to 20 Nm (177 lb-in).

4. To install, reverse the removal procedure.