Curiosii for ever!: Car repair manuals for everyone.

Pinpoint Test P: The Dual Climate Controlled Seat Module (DCSM) Does Not Respond To The Scan Tool




Communications Network

Pinpoint Tests

Pinpoint Test P: The Dual Climate Controlled Seat Module (DCSM) Does Not Respond To The Scan Tool

Refer to Wiring Diagram Set 14, Module Communications Network for schematic and connector information. Diagrams By Number

Refer to Wiring Diagram Set 119, Climate Controlled Seats for schematic and connector information. Diagrams By Number

Normal Operation

The Dual Climate Controlled Seat Module (DCSM) communicates with the scan tool through the Medium Speed Controller Area Network (MS-CAN).

This pinpoint test is intended to diagnose the following:

- Fuse
- Wiring, terminals or connectors
- DCSM



PINPOINT TEST P: THE DCSM DOES NOT RESPOND TO THE SCAN TOOL

WARNING: Remove restraint system diagnostic tools from the vehicle prior to road testing. If tools are not removed, the supplemental restraint system (SRS) device may not deploy in a crash. Failure to follow this instruction may result in serious personal injury or death in a crash and possibly violate vehicle safety standards.

NOTICE: Use the correct probe adapter(s) when making measurements. Failure to use the correct probe adapter(s) may damage the connector.

NOTE: If a seat equipped with a Supplemental Restraint System (SRS) component is being serviced, the SRS must be depowered. Refer to Restraint Systems.

NOTE: The air bag warning lamp illuminates when the Restraints Control Module (RCM) fuse is removed and the ignition switch is ON. This is normal operation and does not indicate an SRS fault.

NOTE: The SRS must be fully operational and free of faults before releasing the vehicle to the customer.

NOTE: Failure to disconnect the battery when instructed will result in false resistance readings. Refer to Battery.

-------------------------------------------------
P1 CHECK THE DCSM VOLTAGE SUPPLY CIRCUITS FOR AN OPEN


- Ignition OFF.
- For vehicles with seat side air bags, carry out the following:
- Depower the SRS. Refer to Restraint Systems.
- Disconnect the driver seat side air bag module.
- Connect the restraint system diagnostic tool to the driver seat side air bag module.
- Disconnect the passenger seat side air bag module.
- Connect the restraint system diagnostic tool to the passenger seat side air bag module.
- Connect the negative battery cable.
- Disconnect: DCSM C3265a.
- Ignition ON.
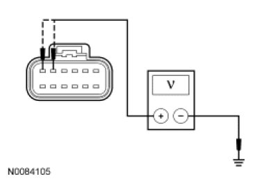
- Measure the voltage between the DCSM C3265a-E, circuit CBX01 (GN/RD), harness side and ground; and between the DCSM C3265a-F, circuit CBX01 (GN/RD), harness side and ground.




- Are the voltages greater than 10 volts?

Yes
GO to P2.

No
VERIFY the Battery Junction Box (BJB) fuse 69 (30A) is OK. If OK, REPAIR the circuit in question. If not OK, REFER to the Wiring Diagrams to identify the possible causes of the circuit short. CLEAR the DTCs. REPEAT the network test with the scan tool. Diagrams By Number

-------------------------------------------------
P2 CHECK THE DCSM GROUND CIRCUIT FOR AN OPEN


- Ignition OFF.
- Disconnect: Negative Battery Cable.
- Measure the resistance between the DCSM C3265a-M, circuit GD903 (BK/WH), harness side and ground.




- Is the resistance less than 5 ohms?

Yes
GO to P3.

No
REPAIR the circuit. CONNECT the negative battery cable. CLEAR the DTCs. REPEAT the network test with the scan tool.

-------------------------------------------------
P3 CHECK THE MS-CAN CIRCUITS BETWEEN THE DCSM AND THE DLC FOR AN OPEN


- Disconnect: DCSM C3265c.
- Measure the resistance between the DCSM C3265c-1, circuit VDB06 (GY/OG), harness side and the Data Link Connector (DLC) C251-3, circuit VDB06 (GY/OG), harness side.




- Measure the resistance between the DCSM C3265c-2, circuit VDB07 (VT/OG), harness side and the DLC C251-11, circuit VDB07 (VT/OG), harness side.




- Are the resistances less than 5 ohms?

Yes
CONNECT the negative battery cable. GO to P4.

No
REPAIR the circuit in question. CONNECT the negative battery cable. CLEAR the DTCs. REPEAT the network test with the scan tool.

-------------------------------------------------
P4 CHECK FOR CORRECT DCSM OPERATION


- Disconnect all the DCSM connectors.
- Check for:
- corrosion
- damaged pins
- pushed-out pins
- Connect all the DCSM connectors and make sure they seat correctly.
- Operate the system and verify the concern is still present.
- Is the concern still present?

Yes
INSTALL a new DCSM. REFER to Seats. CLEAR the DTCs. REPEAT the network test with the scan tool.

No
The system is operating correctly at this time. The concern may have been caused by a loose or corroded connector.

-------------------------------------------------