Curiosii for ever!: Car repair manuals for everyone.

Pinpoint Test AG: DTC U3003:16 (Front Controls Interface Module (FCIM))




Information and Entertainment System

Pinpoint Tests

Pinpoint Test AG: DTC U3003:16 (Front Controls Interface Module (FCIM))

Normal Operation
- DTC U3003:16 (Battery Voltage: Circuit Voltage Below Threshold) - set by the Front Controls Interface Module (FCIM) when the supply voltage falls below 10 volts for at least 10 seconds during normal operation, or for greater than 250 milliseconds during the self-test.

This pinpoint test is intended to diagnose the following:

- Wiring, terminals or connectors
- High circuit resistance
- FCIM



PINPOINT TEST AG: DTC U3003:16 (FCIM)

NOTICE: Use the correct probe adapter(s) when making measurements. Failure to use the correct probe adapter(s) may damage the connector.

NOTE: Failure to disconnect the battery when instructed will result in false resistance readings. Refer to Battery.

-------------------------------------------------
AG1 RECHECK THE FCIM DTCs


- Ignition ON.
- Clear the FCIM DTCs.
- Wait at least 15 seconds.
- Repeat the FCIM self-test.
- Is DTC B1318 or DTC U3003:16 still present?

Yes
GO to AG2.

No
The system is operating correctly at this time. The DTC may have been set due to a previous low battery voltage condition.

-------------------------------------------------
AG2 CHECK FOR CHARGING SYSTEM DTCs IN THE PCM


- Retrieve the continuous DTCs from all modules.
- Is DTC P0620, P0622, P0625, or P065B set in the PCM?

Yes
REFER to Charging System.

No
GO to AG3.

-------------------------------------------------
AG3 CHECK THE BATTERY CONDITION AND STATE OF CHARGE


- Check the battery condition and verify that the battery is fully charged. Refer to Battery.
- Is the battery OK and fully charged?

Yes
GO to AG4.

No
REFER to Battery.

-------------------------------------------------
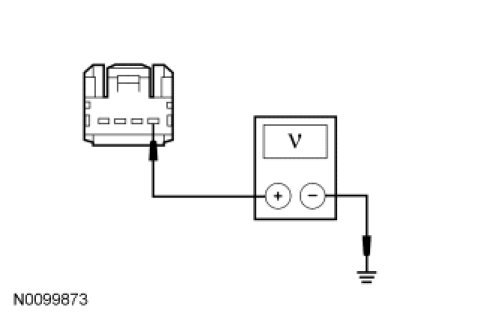
AG4 CHECK THE FCIM VOLTAGE SUPPLY


- Ignition OFF.
- Measure and record the voltage at the battery.
- Disconnect: FCIM C2402.
- Ignition ON.
- Measure the voltage between the FCIM C2402-1, circuit SBP26 (YE/RD), harness side and ground.




- Is the voltage at the FCIM within 0.2 volt of the recorded battery voltage?

Yes
GO to AG5.

No
REPAIR the circuit for high resistance. CLEAR the DTCs. REPEAT the self-test.

-------------------------------------------------
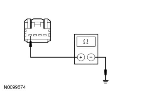
AG5 CHECK THE FCIM GROUND CIRCUIT FOR CONTINUITY


- Ignition OFF.
- Disconnect: Negative Battery Cable.
- Measure the resistance between the FCIM C2402-4, circuit GD133 (BK), harness side and ground.




- Is the resistance less than 5 ohms?

Yes
GO to AG6.

No
REPAIR the circuit for high resistance. CLEAR the DTCs. REPEAT the self-test.

-------------------------------------------------
AG6 CHECK FOR CORRECT FCIM OPERATION


- Ignition OFF.
- Connect: Negative Battery Cable.
- Disconnect the FCIM connector.
- Check for:
- corrosion
- damaged pins
- pushed-out pins
- Connect the FCIM connector and make sure it seats correctly.
- Operate the system and determine if the concern is still present.
- Is the concern still present?

Yes
INSTALL a new FCIM. REFER to Front Controls Interface Module (FCIM) Front Controls Interface Module (FCIM). TEST the system for normal operation.

No
The system is operating correctly at this time. The concern may have been caused by a loose or corroded connector. CLEAR the DTCs.

-------------------------------------------------