Curiosii for ever!
: Car repair manuals for everyone.
Home
>>
Ford Truck
>>
2010
>>
Explorer AWD V6-4.0L
>>
Repair and Diagnosis
>>
Powertrain Management
>>
Tune-up and Engine Performance Checks
>>
Air Cleaner Housing
>>
Service and Repair
>>
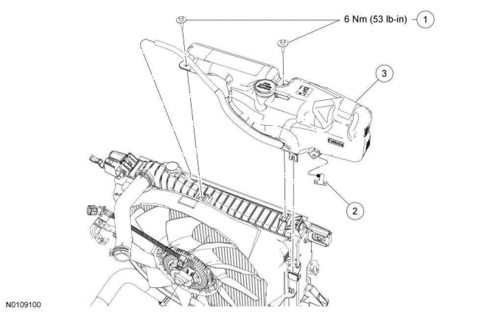
Intake Air System Components - Exploded View
Intake Air System Components - Exploded View
Intake Air System Components - Exploded View
Coolant Expansion Tank
Intake Air System Components (4.0L SOHC)
Intake Air System Components - 4.6L (3V)