Curiosii for ever!: Car repair manuals for everyone.

Pinpoint Test O: The Parking Aid Module (PAM) Does Not Respond To The Scan Tool




Communications Network

Pinpoint Tests

Pinpoint Test O: The Parking Aid Module (PAM) Does Not Respond To The Scan Tool

Refer to Wiring Diagram Set 14, Module Communications Network for schematic and connector information. Diagrams By Number

Refer to Wiring Diagram Set 131, Parking Aid for schematic and connector information. Diagrams By Number

Normal Operation

The Parking Aid Module (PAM) communicates with the scan tool through the Medium Speed Controller Area Network (MS-CAN).

This pinpoint test is intended to diagnose the following:

- Fuse
- Wiring, terminals or connectors
- PAM



PINPOINT TEST O: THE PAM DOES NOT RESPOND TO THE SCAN TOOL

NOTICE: Use the correct probe adapter(s) when making measurements. Failure to use the correct probe adapter(s) may damage the connector.

NOTE: Failure to disconnect the battery when instructed will result in false resistance readings. Refer to Battery.

-------------------------------------------------
O1 VERIFY PARKING AID SYSTEM TYPE


- NOTE: The Explorer uses a radar parking aid system while the Mountaineer and Explorer Sport Trac use an ultrasonic system.
- Verify the parking aid system.
- Is the vehicle equipped with a RADAR parking aid system?

Yes
GO to O2.

No
GO to O5 .

-------------------------------------------------
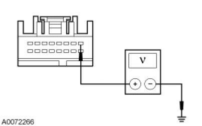
O2 CHECK THE PAM VOLTAGE SUPPLY CIRCUIT FOR AN OPEN (RADAR)


- Ignition OFF.
- Disconnect: PAM C4226.
- Ignition ON.
- Measure the voltage between the PAM C4226-18, circuit CBP18 (GY/OG), harness side and ground.




- Is the voltage greater than 10 volts?

Yes
GO to O3.

No
VERIFY the Smart Junction Box (SJB) fuse 18 (10A) is OK. If OK, REPAIR the circuit. If not OK, REFER to the Wiring Diagrams to identify the possible causes of the circuit short. CLEAR the DTCs. REPEAT the network test with the scan tool. Diagrams By Number

-------------------------------------------------
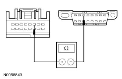
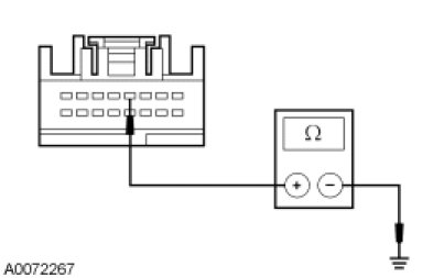
O3 CHECK THE PAM GROUND CIRCUIT FOR AN OPEN (RADAR)


- Ignition OFF.
- Disconnect: Negative Battery Cable.
- Measure the resistance between the PAM C4226-6, circuit GD145 (BK/BU), harness side and ground.




- Is the resistance less than 5 ohms?

Yes
GO to O4.

No
REPAIR the circuit. CONNECT the negative battery cable. CLEAR the DTCs. REPEAT the network test with the scan tool.

-------------------------------------------------
O4 CHECK THE MS-CAN CIRCUITS BETWEEN THE PAM AND THE DLC FOR AN OPEN (RADAR)


- Measure the resistance between the PAM C4226-4, circuit VDB06 (GY/OG), harness side and the DLC C251-3, circuit VDB06 (GY/OG), harness side.




- Measure the resistance between the PAM C4226-5, circuit VDB07 (VT/OG), harness side and the DLC C251-11, circuit VDB07 (VT/OG), harness side.




- Are the resistances less than 5 ohms?

Yes
CONNECT the negative battery cable. GO to O8.

No
REPAIR the circuit in question. CONNECT the negative battery cable. CLEAR the DTCs. REPEAT the network test with the scan tool.

-------------------------------------------------
O5 CHECK THE PAM VOLTAGE SUPPLY CIRCUIT FOR AN OPEN (ULTRASONIC)


- Ignition OFF.
- Disconnect: PAM C4014 (Mountaineer) or C3267 (Explorer Sport Trac).
- Ignition ON.
- Measure the voltage between the PAM C4014-1 (Mountaineer) or C3267-1 (Explorer Sport Trac), circuit CBP18 (GY/OG), harness side and ground.




- Is the voltage greater than 10 volts?

Yes
GO to O6.

No
VERIFY the Smart Junction Box (SJB) fuse 18 (10A) is OK. If OK, REPAIR the circuit. If not OK, REFER to the Wiring Diagrams to identify the possible causes of the circuit short. CLEAR the DTCs. REPEAT the network test with the scan tool. Diagrams By Number

-------------------------------------------------
O6 CHECK THE PAM GROUND CIRCUIT FOR AN OPEN (ULTRASONIC)


- Ignition OFF.
- Disconnect: Negative Battery Cable.
- Measure the resistance between the PAM C4014-4 (Mountaineer) or C3267-4 (Explorer Sport Trac), circuit GD145 (BK/BU), harness side and ground.




- Is the resistance less than 5 ohms?

Yes
GO to O7.

No
REPAIR the circuit. CONNECT the negative battery cable. CLEAR the DTCs. REPEAT the network test with the scan tool.

-------------------------------------------------
O7 CHECK THE MS-CAN CIRCUITS BETWEEN THE PAM AND THE DLC FOR AN OPEN (ULTRASONIC)


- Measure the resistance between the PAM C4014-3 (Mountaineer) or C3267-3 (Explorer Sport Trac), circuit VDB06 (GY/OG), harness side and the DLC C251-3, circuit VDB06 (GY/OG), harness side.




- Measure the resistance between the PAM C4014-11 (Mountaineer) or C3267-11 (Explorer Sport Trac), circuit VDB07 (VT/OG), harness side and the DLC C251-11, circuit VDB07 (VT/OG), harness side.




- Are the resistances less than 5 ohms?

Yes
CONNECT the negative battery cable. GO to O8.

No
REPAIR the circuit in question. CONNECT the negative battery cable. CLEAR the DTCs. REPEAT the network test with the scan tool.

-------------------------------------------------
O8 CHECK FOR CORRECT PAM OPERATION


- Disconnect the PAM connector.
- Check for:
- corrosion
- damaged pins
- pushed-out pins
- Connect the PAM connector and make sure it seats correctly.
- Operate the system and verify the concern is still present.
- Is the concern still present?

Yes
INSTALL a new PAM. REFER to Collision Avoidance and Parking Assist Systems. CLEAR the DTCs. REPEAT the network test with the scan tool.

No
The system is operating correctly at this time. The concern may have been caused by a loose or corroded connector. CLEAR the DTCs. REPEAT the network test with the scan tool.

-------------------------------------------------