Curiosii for ever!: Car repair manuals for everyone.

Pinpoint Test N: The Power Running Board Module Does Not Respond To The Scan Tool




Communications Network

Pinpoint Tests

Pinpoint Test N: The Power Running Board Module Does Not Respond To The Scan Tool

Refer to Wiring Diagram Set 14, Module Communications Network for schematic and connector information. Diagrams By Number

Refer to Wiring Diagram Set 109, Power Liftgate/Running Boards for schematic and connector information. Diagrams By Number

Normal Operation

The Power Running Board (PRB) module communicates with the scan tool through the Medium Speed Controller Area Network (MS-CAN).

This pinpoint test is intended to diagnose the following:

- Fuse
- Wiring, terminals or connectors
- PRB module



PINPOINT TEST N: THE PRB MODULE DOES NOT RESPOND TO THE SCAN TOOL

NOTICE: Use the correct probe adapter(s) when making measurements. Failure to use the correct probe adapter(s) may damage the connector.

NOTE: Failure to disconnect the battery when instructed will result in false resistance readings. Refer to Battery.

-------------------------------------------------
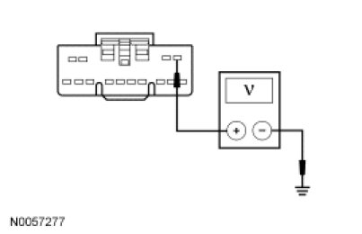
N1 CHECK THE PRB MODULE VOLTAGE SUPPLY CIRCUIT FOR AN OPEN


- Ignition OFF.
- Disconnect: PRB Module C4322b.
- Ignition ON.
- Measure the voltage between the PRB module C4322b-1, circuit SBB19 (BU/RD), harness side and ground.




- Is the voltage greater than 10 volts?

Yes
GO to N2.

No
VERIFY the Battery Junction Box (BJB) fuse 19 (30A) is OK. If OK, REPAIR the circuit. If not OK, REFER to the Wiring Diagrams to identify the possible causes of the circuit short. CLEAR the DTCs. REPEAT the network test with the scan tool. Diagrams By Number

-------------------------------------------------
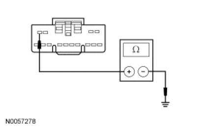
N2 CHECK THE PRB MODULE GROUND CIRCUIT FOR AN OPEN


- Ignition OFF.
- Disconnect: Negative Battery Cable.
- Measure the resistance between the PRB module C4322b-4, circuit GD151 (BK/GN), harness side and ground.




- Is the resistance less than 5 ohms?

Yes
GO to N3.

No
REPAIR the circuit. CONNECT the negative battery cable. CLEAR the DTCs. REPEAT the network test with the scan tool.

-------------------------------------------------
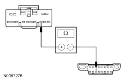
N3 CHECK THE MS-CAN CIRCUITS BETWEEN THE PRB MODULE AND THE DLC FOR AN OPEN


- Measure the resistance between the PRB module C4322b-8, circuit VDB06 (GY/OG), harness side and the DLC C251-3, circuit VDB06 (GY/OG), harness side.




- Measure the resistance between the PRB module C4322b-7, circuit VDB07 (VT/OG), harness side and the DLC C251-11, circuit VDB07 (VT/OG), harness side.




- Are the resistances less than 5 ohms?

Yes
CONNECT the negative battery cable. GO to N4.

No
REPAIR the circuit in question. CONNECT the negative battery cable. CLEAR the DTCs. REPEAT the network test with the scan tool.

-------------------------------------------------
N4 CHECK FOR CORRECT PRB MODULE OPERATION


- Disconnect all the PRB module connectors.
- Check for:
- corrosion
- damaged pins
- pushed-out pins
- Connect all the PRB module connectors and make sure they seat correctly.
- Operate the system and verify the concern is still present.
- Is the concern still present?

Yes
INSTALL a new PRB module. REFER to Auxiliary Step / Running Board. CLEAR the DTCs. REPEAT the network test with the scan tool.

No
The system is operating correctly at this time. The concern may have been caused by a loose or corroded connector. CLEAR the DTCs. REPEAT the network test with the scan tool.

-------------------------------------------------