Curiosii for ever!: Car repair manuals for everyone.

Function Selector Vacuum Switch




Climate Control System

Component Tests

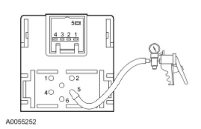
Function Selector Vacuum Switch





Connect a vacuum pump to the function selector switch vacuum supply port and try to pull a vacuum in each function selector switch positions. Follow the chart below, to determine which positions should and should not hold vacuum. If the vacuum pump can pull and hold a vacuum when the chart indicates no vacuum (NV), the switch is plugged. If the vacuum pump does not pull and hold a vacuum when the chart indicates vacuum (V), the switch leaks.



Vacuum Application Chart





V = Vacuum

NV = No Vacuum