Curiosii for ever!
: Car repair manuals for everyone.
Home
>>
Ford Truck
>>
2010
>>
Escape 4WD L4-2.5L
>>
Repair and Diagnosis
>>
Diagrams
>>
Exploded Views
>>
Air Filter Element
Air Filter Element
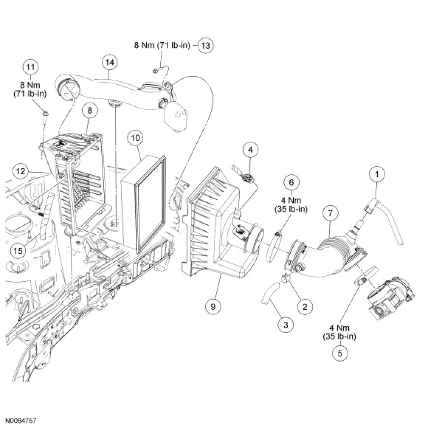
Intake Air System Components - Exploded View
Air Cleaner Assembly, Intake Pipe and Outlet Pipe
Intake Air Resonator