Curiosii for ever!: Car repair manuals for everyone.

Pinpoint Test H: The Transmission Control Module (TCM) Does Not Respond To The Scan Tool




Communications Network

Pinpoint Tests

Pinpoint Test H: The Transmission Control Module (TCM) Does Not Respond To The Scan Tool

Refer to Wiring Diagram Set 14 (Escape/Mariner, Escape Hybrid/Mariner Hybrid), Module Communications Network for schematic and connector information. Diagrams By Number

Refer to Wiring Diagram Set 29 (Escape/Mariner, Escape Hybrid/Mariner Hybrid), Transmission Controls for schematic and connector information. Diagrams By Number

Normal Operation

The Transmission Control Module (TCM) is present on hybrid vehicles only. The TCM communicates with the scan tool through the High Speed Controller Area Network (HS-CAN).

This pinpoint test is intended to diagnose the following:

- Fuse
- Wiring, terminals or connectors
- TCM




PINPOINT TEST H: THE TCM DOES NOT RESPOND TO THE SCAN TOOL

NOTICE: Use the correct probe adapter(s) when making measurements. Failure to use the correct probe adapter(s) may damage the connector.

NOTE: Failure to disconnect the battery when instructed will result in false resistance readings. Refer to Battery.

-------------------------------------------------
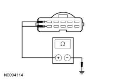
H1 CHECK THE TCM VOLTAGE SUPPLY CIRCUITS FOR AN OPEN



- Ignition OFF.
- Disconnect: TCM C1458a .
- Ignition ON.
- Measure the voltage between the TCM, harness side and ground as follows:









- Are the voltages greater than 10 volts?

Yes
GO to H2.

No
VERIFY the Battery Junction Box (BJB) fuse 5 (10A) or fuse 24 (10A) is OK. If OK, REPAIR the circuit in question. If not OK, Refer to the Wiring Diagrams to identify the possible causes of the circuit short. CLEAR the DTCs. REPEAT the network test with the scan tool. Diagrams By Number

-------------------------------------------------
H2 CHECK THE TCM GROUND CIRCUITS FOR AN OPEN



- Ignition OFF.
- Disconnect: Negative Battery Cable .
- Measure the resistance between the TCM C1458a-2, circuit GD121 (BK/YE), harness side and ground; and between the TCM C1458a-8, circuit GD121 (BK/YE), harness side and ground.




- Are the resistances less than 5 ohms?

Yes
GO to H3.

No
REPAIR the circuit in question. CONNECT the negative battery cable. CLEAR the DTCs. REPEAT the network test with the scan tool.

-------------------------------------------------
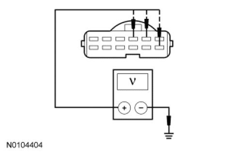
H3 CHECK THE HS-CAN CIRCUITS BETWEEN THE TCM AND THE DLC FOR AN OPEN



- Measure the resistance between the TCM C1458a-1, circuit VDB04 (WH/BU), harness side and the DLC C251-6, circuit VDB04 (WH/BU), harness side.




- Measure the resistance between the TCM C1458a-7, circuit VDB05 (WH), harness side and the DLC C251-14, circuit VDB05 (WH), harness side.




- Are the resistances less than 5 ohms?

Yes
CONNECT the negative battery cable. GO to H4.

No
REPAIR the circuit in question. CONNECT the negative battery cable. CLEAR the DTCs. REPEAT the network test with the scan tool.

-------------------------------------------------
H4 CHECK FOR CORRECT TCM OPERATION



- Disconnect all the TCM connectors.
- Check for:
- corrosion
- damaged pins
- pushed-out pins
- Connect all the TCM connectors and make sure they seat correctly.
- Operate the system and verify the concern is still present.
- Is the concern still present?

Yes
INSTALL a new TCM. REFER to Automatic Transmission/Transaxle &/or Transmission Control Systems. CLEAR the DTCs. REPEAT the network test with the scan tool.

No
The system is operating correctly at this time. The concern may have been caused by a loose or corroded connector.

-------------------------------------------------