Curiosii for ever!: Car repair manuals for everyone.

Part 1




Communications Network

Pinpoint Tests

Pinpoint Test U: No Medium Speed Controller Area Network (MS-CAN) Communication, All Modules Are Not Responding

Refer to Wiring Diagram Set 14, Module Communications Network for schematic and connector information. Diagrams By Number

Normal Operation

The Medium Speed Controller Area Network (MS-CAN) uses an unshielded twisted pair cable and provides the network connection to all modules on the network.

This pinpoint test is intended to diagnose the following:

- Wiring, terminals or connectors
- Data Link Connector (DLC)
- Accessory Protocol Interface Module (APIM) (if equipped)
- Audio Control Module (ACM)
- Audio Digital Signal Processing (DSP) module (if equipped)
- Dual Climate Controlled Seat Module (DCSM) (if equipped)
- Driver Seat Module (DSM) (if equipped)
- Global Positioning System Module (GPSM)
- HVAC module (if equipped)
- Instrument Cluster (IC)
- Liftgate/Trunk Module (LTM) (if equipped)
- Parking Aid Module (PAM) (if equipped)
- Satellite Digital Audio Receiver System (SDARS) module (if equipped)
- Smart Junction Box (SJB)



PINPOINT TEST U: NO MS-CAN COMMUNICATION, ALL MODULES ARE NOT RESPONDING

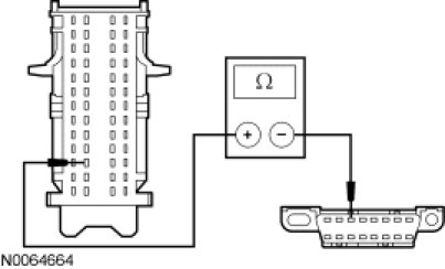
NOTICE: Use the correct probe adapter(s) when making measurements. Failure to use the correct probe adapter(s) may damage the connector.

NOTE: Most faults are due to connector and/or wiring concerns. Carry out a thorough inspection and verification before proceeding with the pinpoint test. Inspection and Verification

NOTE: Failure to disconnect the battery when instructed will result in false resistance readings. Refer to Battery.

-------------------------------------------------
U1 CHECK THE DLC PINS FOR DAMAGE


- Ignition OFF.
- Disconnect the scan tool cable from the Data Link Connector (DLC).
- Inspect DLC pins 3 and 11 for damage.




- Are DLC pins 3 and 11 OK?

Yes
GO to U2.

No
REPAIR the DLC as necessary. CLEAR the DTCs. REPEAT the network test with the scan tool.

-------------------------------------------------
U2 CHECK THE MS-CAN TERMINATION RESISTANCE


- Disconnect: Negative Battery Cable.
- Measure the resistance between the DLC C251-3, circuit VDB06 (GY/OG), harness side and the DLC C251-11, circuit VDB07 (VT/OG), harness side.




- Is the resistance between 54 and 66 ohms?

Yes
GO to U3.

No
GO to U5.

-------------------------------------------------
U3 CHECK THE MS-CAN (+) AND MS-CAN (-) CIRCUITS FOR A SHORT TO GROUND


- Measure the resistance between the DLC C251-3, circuit VDB06 (GY/OG), harness side and ground; and between the DLC C251-11, circuit VDB07 (VT/OG), harness side and ground.




- Are the resistances greater than 1,000 ohms?

Yes
GO to U4.

No
GO to U29.

-------------------------------------------------
U4 CHECK THE MS-CAN (+) AND MS-CAN (-) CIRCUITS FOR A SHORT TO VOLTAGE


- Connect the negative battery cable.
- Ignition ON.
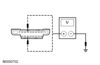
- Measure the voltage between the DLC C251-3, circuit VDB06 (GY/OG), harness side and ground; and between the DLC C251-11, circuit VDB07 (VT/OG), harness side and ground.




- Is the voltage greater than 6 volts?

Yes
REPAIR the circuit. CLEAR the DTCs. REPEAT the network test with the scan tool.

No
The MS-CAN has tested within specifications. GO to Pinpoint Test T to diagnose the intermittent MS-CAN fault. Pinpoint Test T: Intermittent No Medium Speed Controller Area Network (MS-CAN) Communication, One Or More Modules Are Not Respo

-------------------------------------------------
U5 CHECK THE MS-CAN TERMINATION RESISTOR


- Measure the resistance between the DLC C251-3, circuit VDB06 (GY/OG), harness side and the DLC C251-11, circuit VDB07 (VT/OG), harness side.




- Is the resistance between 108 and 132 ohms?

Yes
GO to U6.

No
GO to U9.

-------------------------------------------------
U6 CHECK THE MS-CAN TERMINATION RESISTOR WITH THE SJB DISCONNECTED


- Disconnect: Smart Junction Box (SJB) C2280b.
- Measure the resistance between the DLC C251-3, circuit VDB06 (GY/OG), harness side and the DLC C251-11, circuit VDB07 (VT/OG), harness side.




- Is the resistance between 108 and 132 ohms?

Yes
GO to U7.

No
GO to U8.

-------------------------------------------------
U7 CHECK THE MS-CAN CIRCUITS BETWEEN THE SJB AND THE DLC FOR AN OPEN


- Measure the resistance between the SJB C2280b-37, circuit VDB06 (GY/OG), harness side and the DLC C251-3, circuit VDB06 (GY/OG), harness side.




- Measure the resistance between the SJB C2280b-38, circuit VDB07 (VT/OG), harness side and the DLC C251-11, circuit VDB07 (VT/OG), harness side.




- Are the resistances less than 5 ohms?

Yes
GO to U47.

No
REPAIR the circuit in question. CONNECT the negative battery cable. CLEAR the DTCs. REPEAT the network test with the scan tool.

-------------------------------------------------
U8 CHECK THE MS-CAN CIRCUITS BETWEEN THE IC AND THE DLC FOR AN OPEN


- Disconnect: Instrument Cluster (IC) C220.
- Measure the resistance between the IC C220-2, circuit VDB06 (GY/OG), harness side and the DLC C251-3, circuit VDB06 (GY/OG), harness side.




- Measure the resistance between the IC C220-1, circuit VDB07 (VT/OG), harness side and the DLC C251-11, circuit VDB07 (VT/OG), harness side.




- Are the resistances less than 5 ohms?

Yes
CONNECT the negative battery cable. GO to U53.

No
REPAIR the circuit in question. CONNECT the negative battery cable. CLEAR the DTCs. REPEAT the network test with the scan tool.

-------------------------------------------------
U9 CHECK THE MS-CAN (+) AND MS-CAN (-) CIRCUITS FOR A SHORT TOGETHER


- Measure the resistance between the DLC C251-3, circuit VDB06 (GY/OG), harness side and the DLC C251-11, circuit VDB07 (VT/OG), harness side.




- Is the resistance less than 5 ohms?

Yes
GO to U11.

No
GO to U10.

-------------------------------------------------
U10 CHECK THE MS-CAN (+) AND MS-CAN (-) CIRCUITS FOR AN OPEN


- Measure the resistance between the DLC C251-3, circuit VDB06 (GY/OG), harness side and the DLC C251-11, circuit VDB07 (VT/OG), harness side.




- Is the resistance greater than 10,000 ohms?

Yes
REPAIR the DLC or REPAIR the circuit in question. CLEAR the DTCs. REPEAT the network test with the scan tool.

No
A capacitor internal to a module may still be draining causing irregular resistance readings. WAIT 5 minutes. REPEAT the pinpoint test.

-------------------------------------------------
U11 CHECK THE MS-CAN (+) AND MS-CAN (-) CIRCUITS FOR A SHORT TOGETHER WITH THE SJB DISCONNECTED


- Disconnect: SJB C2280b.
- Measure the resistance between the DLC C251-3, circuit VDB06 (GY/OG), harness side and the DLC C251-11, circuit VDB07 (VT/OG), harness side.




- Is the resistance less than 5 ohms?

Yes
If the vehicle is equipped with a Parking Aid Module (PAM), GO to U12.

If the vehicle is not equipped with a PAM, GO to U13.

No
GO to U47.

-------------------------------------------------
U12 CHECK THE MS-CAN (+) AND MS-CAN (-) CIRCUITS FOR A SHORT TOGETHER WITH THE PAM DISCONNECTED


- Disconnect: PAM C4014 .
- Measure the resistance between the DLC C251-3, circuit VDB06 (GY/OG), harness side and the DLC C251-11, circuit VDB07 (VT/OG), harness side.




- Is the resistance less than 5 ohms?

Yes
GO to U13.

No
CONNECT the negative battery cable. GO to U48.

-------------------------------------------------
U13 CHECK THE MS-CAN (+) AND MS-CAN (-) CIRCUITS FOR A SHORT TOGETHER WITH THE ACM DISCONNECTED


- Disconnect: Audio Control Module (ACM) C240b.
- Measure the resistance between the DLC C251-3, circuit VDB06 (GY/OG), harness side and the DLC C251-11, circuit VDB07 (VT/OG), harness side.




- Is the resistance less than 5 ohms?

Yes
If the vehicle is equipped with an audio Digital Signal Processing (DSP) module, GO to U14.

If the vehicle is not equipped with an audio DSP module, GO to U15.

No
CONNECT the negative battery cable. GO to U49.

-------------------------------------------------
U14 CHECK THE MS-CAN (+) AND MS-CAN (-) CIRCUITS FOR A SHORT TOGETHER WITH THE AUDIO DSP MODULE DISCONNECTED


- Disconnect: Audio DSP Module C4348a.
- Measure the resistance between the DLC C251-3, circuit VDB06 (GY/OG), harness side and the DLC C251-11, circuit VDB07 (VT/OG), harness side.




- Is the resistance less than 5 ohms?

Yes
GO to U15.

No
CONNECT the negative battery cable. GO to U50.

-------------------------------------------------
U15 VERIFY VEHICLE EQUIPMENT - HVAC MODULE


- Inspect the vehicle for an HVAC module.
- Is the vehicle equipped with an HVAC module?

Yes
GO to U16.

No
GO to U17.

-------------------------------------------------
U16 CHECK THE MS-CAN (+) AND MS-CAN (-) CIRCUITS FOR A SHORT TOGETHER WITH THE HVAC MODULE DISCONNECTED


- Disconnect: HVAC Module C228a.
- Measure the resistance between the DLC C251-3, circuit VDB06 (GY/OG), harness side and the DLC C251-11, circuit VDB07 (VT/OG), harness side.




- Is the resistance less than 5 ohms?

Yes
GO to U17.

No
CONNECT the negative battery cable. GO to U51.

-------------------------------------------------
U17 VERIFY VEHICLE EQUIPMENT - LTM


- Inspect the vehicle for a Liftgate/Trunk Module (LTM).
- Is the vehicle equipped with an LTM?

Yes
GO to U18.

No
GO to U19.

-------------------------------------------------
U18 CHECK THE MS-CAN (+) AND MS-CAN (-) CIRCUITS FOR A SHORT TOGETHER WITH THE LTM DISCONNECTED


- Disconnect: LTM C4174b.
- Measure the resistance between the DLC C251-3, circuit VDB06 (GY/OG), harness side and the DLC C251-11, circuit VDB07 (VT/OG), harness side.




- Is the resistance less than 5 ohms?

Yes
GO to U19.

No
CONNECT the negative battery cable. GO to U54.

-------------------------------------------------
U19 CHECK THE MS-CAN (+) AND MS-CAN (-) CIRCUITS FOR A SHORT TOGETHER WITH THE IC DISCONNECTED


- Disconnect: Instrument Cluster (IC) C220.
- Measure the resistance between the DLC C251-3, circuit VDB06 (GY/OG), harness side and the DLC C251-11, circuit VDB07 (VT/OG), harness side.




- Is the resistance less than 5 ohms?

Yes
If the vehicle is equipped with a Satellite Digital Audio Receiver System (SDARS) module, GO to U20.

If the vehicle is not equipped with a SDARS module, GO to U21.

No
CONNECT the negative battery cable. GO to U53.

-------------------------------------------------
U20 CHECK THE MS-CAN (+) AND MS-CAN (-) CIRCUITS FOR A SHORT TOGETHER WITH THE SDARS MODULE DISCONNECTED


- Disconnect: SDARS Module C4344.
- Measure the resistance between the DLC C251-3, circuit VDB06 (GY/OG), harness side and the DLC C251-11, circuit VDB07 (VT/OG), harness side.




- Is the resistance less than 5 ohms?

Yes
GO to U21.

No
CONNECT the negative battery cable. GO to U52.

-------------------------------------------------
U21 VERIFY VEHICLE EQUIPMENT - DSM


- Inspect the vehicle for a Driver Seat Module (DSM).
- Is the vehicle equipped with a DSM?

Yes
GO to U22.

No
GO to U23.

-------------------------------------------------
U22 CHECK THE MS-CAN (+) AND MS-CAN (-) CIRCUITS FOR A SHORT TOGETHER WITH THE DSM DISCONNECTED


- Disconnect: DSM C3299d.
- Measure the resistance between the DLC C251-3, circuit VDB06 (GY/OG), harness side and the DLC C251-11, circuit VDB07 (VT/OG), harness side.




- Is the resistance less than 5 ohms?

Yes
GO to U23.

No
CONNECT the negative battery cable. GO to U55.

-------------------------------------------------
U23 VERIFY VEHICLE EQUIPMENT - DCSM


- Inspect the vehicle for a Dual Climate Controlled Seat Module (DCSM).
- Is the vehicle equipped with a DCSM?

Yes
GO to U24.

No
GO to U25.

-------------------------------------------------
U24 CHECK THE MS-CAN (+) AND MS-CAN (-) CIRCUITS FOR A SHORT TOGETHER WITH THE DCSM DISCONNECTED


- Disconnect: DCSM C3036c.
- Measure the resistance between the DLC C251-3, circuit VDB06 (GY/OG), harness side and the DLC C251-11, circuit VDB07 (VT/OG), harness side.




- Is the resistance less than 5 ohms?

Yes
GO to U25.

No
CONNECT the negative battery cable. GO to U56.

-------------------------------------------------
U25 VERIFY VEHICLE EQUIPMENT - GPSM


- Inspect the vehicle for a Global Positioning System Module (GPSM).
- Is the vehicle equipped with a GPSM?

Yes
GO to U26.

No
GO to U27.

-------------------------------------------------
U26 CHECK THE MS-CAN (+) AND MS-CAN (-) CIRCUITS FOR A SHORT TOGETHER WITH THE GPSM DISCONNECTED


- Disconnect: GPSM C2398.
- Measure the resistance between the DLC C251-3, circuit VDB06 (GY/OG), harness side and the DLC C251-11, circuit VDB07 (VT/OG), harness side.




- Is the resistance less than 5 ohms?

Yes
GO to U27.

No
CONNECT the negative battery cable. GO to U57.

-------------------------------------------------
U27 VERIFY VEHICLE EQUIPMENT - APIM


- Inspect the vehicle for an Accessory Protocol Interface Module (APIM).
- Is the vehicle equipped with an APIM?

Yes
GO to U28.

No
REPAIR the circuit in question. CONNECT all modules. CONNECT the negative battery cable. CLEAR the DTCs. REPEAT the network test with the scan tool.

-------------------------------------------------
U28 CHECK THE MS-CAN (+) AND MS-CAN (-) CIRCUITS FOR A SHORT TOGETHER WITH THE APIM DISCONNECTED


- Disconnect: APIM C3342.
- Measure the resistance between the DLC C251-3, circuit VDB06 (GY/OG), harness side and the DLC C251-11, circuit VDB07 (VT/OG), harness side.




- Is the resistance less than 5 ohms?

Yes
REPAIR the circuit in question. CONNECT all modules. CONNECT the negative battery cable. CLEAR the DTCs. REPEAT the network test with the scan tool.

No
CONNECT the negative battery cable. GO to U58.

-------------------------------------------------
U29 CHECK THE MS-CAN (+) AND MS-CAN (-) CIRCUITS FOR A SHORT TO GROUND WITH THE SJB DISCONNECTED


- Disconnect: SJB C2280b.
- Measure the resistance between the DLC C251-3, circuit VDB06 (GY/OG), harness side and the DLC C251-11, circuit VDB07 (VT/OG), harness side.




- Are the resistances greater than 1,000 ohms?

Yes
CONNECT the negative battery cable. GO to U47.

No
If the vehicle is equipped with a Parking Aid Module (PAM), GO to U30.

If the vehicle is not equipped with a PAM, GO to U31.

-------------------------------------------------