Curiosii for ever!
: Car repair manuals for everyone.
Home
>>
Ford Truck
>>
2010
>>
E 450 V8-5.4L
>>
Repair and Diagnosis
>>
Diagrams
>>
Exploded Views
>>
Utility Storage Compartment
Utility Storage Compartment
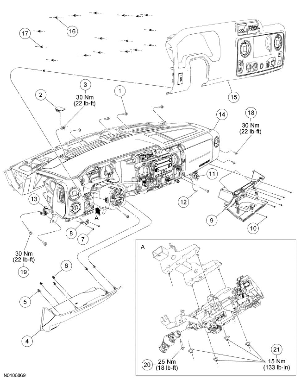
Instrument Panel - Exploded View
Panels and Fasteners
Vacuum and Electrical Connector View