Curiosii for ever!: Car repair manuals for everyone.

Throttle Position Sensor: Service and Repair




Throttle Position (TP) Sensor - 4.0L

Throttle Body (TB) Cover










Throttle Position (TP) Sensor









Removal and Installation

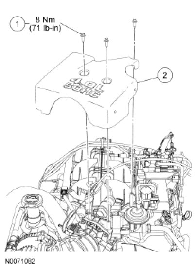
1. Remove the 3 bolts and the Throttle Body (TB) cover.
- To install, tighten to 8 Nm (71 lb-in).

2. Disconnect the Throttle Position (TP) sensor electrical connector.

3. NOTICE: Failure to remove the Throttle Position (TP) sensor screws in the following manner will result in damage to the screws. First, loosen the screws 1 to 2 full turns using a hand tool, and then use a suitable high-speed driver to complete the removal.

Remove and discard the 2 bolts and the TP sensor.

- To install, tighten to 3 Nm (27 lb-in).

4. NOTICE: Do not use a high-speed driver to install the new screws or the Throttle Position (TP) sensor may be damaged.

NOTE: Do not reuse the TP sensor and screws. A new TP sensor and screws must be installed.

NOTE: When installing the new TP sensor, make sure that the radial locator tab on the TP sensor is aligned with the radial locator hole on the TB.

To install, reverse the removal procedure.
- Install a new TP sensor and screws.