Curiosii for ever!: Car repair manuals for everyone.

Information Bus: Description and Operation




Communications Network

NOTE: The Smart Junction Box (SJB) is also known as the Generic Electronic Module (GEM).

Vehicle communication utilizes both ISO 9141 and Controller Area Network (CAN) communications. ISO 9141 is used for diagnostic use only, and CAN is used for many modules to communicate with each other on a common network. CAN in-vehicle networking, is a method for transferring data among distributed electronic modules via a serial data bus. Without serial networking, intermodule communication requires dedicated, point to point wiring resulting in bulky, expensive, complex, and difficult to install wiring harnesses. Applying a serial data network reduces the number of wires, combining the signals on a single network. Information is sent to individual control modules that control each function.

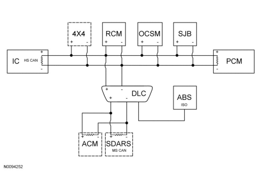
The vehicle has 3 module communication networks:

- ISO 9141
- Medium Speed Controller Area Network (MS-CAN)
- High Speed Controller Area Network (HS-CAN)

Both networks are connected to the Data Link Connector (DLC). This makes diagnosis and testing of these systems easier by allowing one scan tool to be able to diagnose and control any module on both networks from one connector. The DLC can be found under the instrument panel.

Network Topology









ISO 9141 Network Operation

The ISO 9141 communications network is a low speed single wire network. The ISO 9141 communication network is used only by the ABS module.

Medium Speed Controller Area Network (MS-CAN) Operation

The MS-CAN communicates using bussed messages. The MS-CAN uses an unshielded twisted pair cable, data bus (+) and data bus (-) circuits. In addition to scan tool communication, this network allows sharing of information between all modules on the network.

The MS-CAN is a medium speed communication network used for the following modules:

- Audio unit (ACM) (if equipped)
- Satellite Digital Audio Receiver System (SDARS) module (if equipped)

High Speed Controller Area Network (HS-CAN) Operation

The HS-CAN communicates using bussed messages. The HS-CAN uses an unshielded twisted pair cable, data bus (+) and data bus (-) circuits. In addition to scan tool communication, this network allows sharing of information between all modules on the network.

The HS-CAN is a high speed communication network used for the following modules:

- 4X4 control module (if equipped)
- Instrument Cluster (IC)
- Occupant Classification System Module (OCSM)
- PCM
- RCM
- SJB

Network Termination

The CAN uses a network termination circuit to improve communication reliability. The network termination of the CAN bus takes place inside the termination modules by termination resistors. Termination modules are located at either end of the bus network. As network messages are broadcast, in the form of voltage signals, the network voltage signals are stabilized by the termination resistors. Each termination module has a 120 ohm resistor across the positive and negative bus connection in the termination module. With 2 termination modules on each network, and the 120 ohm resistors located in a parallel circuit configuration, the total network impedance, or total resistance is 60 ohms.

Network termination improves bus message reliability by:

- stabilizing bus voltage.
- eliminating electrical interference.