Curiosii for ever!: Car repair manuals for everyone.

Pinpoint Test D: Flash Code 2 - Stoplamp Switch Circuit Failure




Speed Control

Pinpoint Tests

Pinpoint Test D: Flash Code 2 - Stoplamp Switch Circuit Failure

Refer to wiring Diagram Set 31, Speed Control for schematic and connector information. Diagrams By Number

Normal Operation

When the brake pedal and the clutch pedal (if equipped) are both released, a signal voltage from the speed control actuator routes to ground through the stoplamp switch. When the brake pedal is applied, voltage is routed to the speed control actuator through circuit CCB15 (BN/GN). This voltage signals the speed control actuator to disengage the speed control. When the clutch pedal (if equipped) is pressed, the Clutch Pedal Position (CPP) switch opens, causing the speed control actuator to disengage the speed control.

This pinpoint test is intended to diagnose the following:

- Wiring, terminals or connectors
- CPP switch
- Stoplamp switch
- Speed control actuator

PINPOINT TEST D: FLASH CODE 2 - STOPLAMP SWITCH CIRCUIT FAILURE

NOTICE: Use the correct probe adapter(s) when making measurements. Failure to use the correct probe adapter(s) may damage the connectors.

NOTE: Some vehicles equipped with an automatic transmission have wiring to the CPP switch, with a jumper plug installed in C257. If the CPP switch wiring and C257 are present, carry out the pinpoint test steps for the CPP circuits as directed in the pinpoint test.

-------------------------------------------------
D1 CHECK THE STOPLAMP OPERATION


- Apply and release the brake pedal while observing the stoplamps.
- Do the stoplamps operate correctly?

Yes
GO to D2.

No
REFER to Lighting and Horns to continue diagnosis of the stoplamps. Testing and Inspection

-------------------------------------------------
D2 CHECK THE STOPLAMP SWITCH CIRCUIT


- Ignition OFF.
- Disconnect: Speed Control Actuator C122.
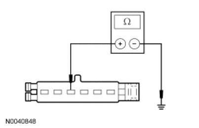
- Measure the resistance between the speed control actuator C122-4, circuit CCB15 (BN/GN), harness side and the speed control actuator C122-10, circuit GD123 (BK/GY), harness side.




- Is the resistance less than 5 ohms?

Yes
INSTALL a new speed control actuator. REFER to Speed Control Actuator Service and Repair. REPEAT the self-test.

No
If equipped with a manual transmission or an automatic transmission with CPP wiring, GO to D3.

Otherwise, GO to D5.

-------------------------------------------------
D3 CHECK THE STOPLAMP SWITCH SIGNAL CIRCUIT FOR AN OPEN TO THE CPP SWITCH


- Disconnect: CPP Switch (or Jumper Plug) C257.
- Measure the resistance between the CPP switch (or jumper plug) C257-4, circuit CCB15 (BN/GN), harness side and ground.




- Is the resistance less than 5 ohms?

Yes
GO to D4.

No
GO to D5.

-------------------------------------------------
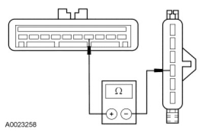
D4 CHECK THE STOPLAMP SWITCH SIGNAL CIRCUIT FOR AN OPEN


- Measure the resistance between the speed control actuator C122-4, circuit CCB15 (BN/GN), harness side and the CPP switch (or jumper plug) C257-3, circuit CCB15 (BN/GN), harness side.




- Is the resistance less than 5 ohms?

Yes
INSTALL a new CPP switch (or jumper plug). REPEAT the self-test.

No
REPAIR the circuit. REPEAT the self-test.

-------------------------------------------------
D5 CHECK THE STOPLAMP GROUND CIRCUIT FOR AN OPEN


- Disconnect: Stoplamp Switch C278.
- Measure the resistance between the stoplamp switch C278-5, circuit GD161 (BK/YE), harness side and ground.




- Is the resistance less than 5 ohms?

Yes
GO to D6.

No
REPAIR the circuit. REPEAT the self-test.

-------------------------------------------------
D6 CHECK THE STOPLAMP SWITCH


- Disconnect: Stoplamp Switch C278.
- Install a fused jumper wire between the stoplamp switch C278-4, circuit CCB15 (BN/GN), harness side and the stoplamp switch C278-5, circuit GD161 (BK/YE), harness side.




- Measure the resistance between the speed control actuator C122-4, circuit CCB15 (BN/GN), harness side and the speed control actuator, circuit GD123 (BK/GY), harness side.




- Is the resistance less than 5 ohms?

Yes
INSTALL a new stoplamp switch. REPEAT the self-test.

No
REPAIR the circuit. REPEAT the self-test.

-------------------------------------------------