Curiosii for ever!
: Car repair manuals for everyone.
Home
>>
Ford Truck
>>
2009
>>
Flex AWD V6-3.5L
>>
Repair and Diagnosis
>>
Wiper and Washer Systems
>>
Service and Repair
Wiper and Washer Systems: Service and Repair
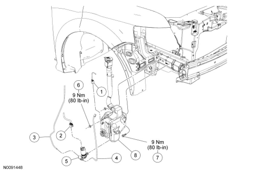
Wiper and Washer System - Exploded View
Front Wipers
Rear Wiper
Washer Pump and Reservoir
1.
For additional information, refer to the procedures.