Curiosii for ever!: Car repair manuals for everyone.

Audio Digital Signal Processing (DSP) Module




Audio Digital Signal Processing (DSP) Module









Removal and Installation

1. NOTE: Module configuration is required when a new audio Digital Signal Processing (DSP) module is being installed.

Upload the audio DSP module configuration information to the scan tool.

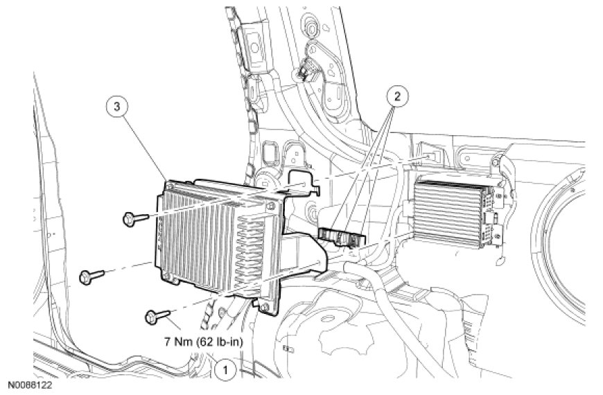
2. Remove the RH quarter trim panel.

3. Remove the 3 bolts and the audio DSP module.
- Disconnect the electrical connectors.

- To install, tighten to 7 Nm (62 lb-in).

4. To install, reverse the removal procedure.
- Download the configuration information to the audio DSP module.