Pinpoint Test H: The Liftgate/Trunk Module (LTM) Does Not Respond To The Scan Tool
Communications Network
Pinpoint Tests
Pinpoint Test H: The Liftgate/Trunk Module (LTM) Does Not Respond To The Scan Tool
Refer to Wiring Diagram Set 14, Module Communications Network for schematic and connector information. Diagrams By Number
Refer to Wiring Diagram Set 109, Power Liftgate for schematic and connector information. Diagrams By Number
Normal Operation
The Liftgate/Trunk Module (LTM) communicates with the scan tool through the Medium Speed Controller Area Network (MS-CAN). Circuits VDB06 (GY/OG) (MS-CAN +) and VDB07 (VT/OG) (MS-CAN -) provide the network connection to the LTM. Voltage is supplied by circuits SBB34 (YE/RD) and SBP14 (BN/RD). Ground is supplied by circuit GD149 (BK/GY).
This pinpoint test is intended to diagnose the following:
- Fuse
- Wiring, terminals or connectors
- LTM
PINPOINT TEST H: THE LTM DOES NOT RESPOND TO THE SCAN TOOL
NOTICE: Use the correct probe adapter(s) when making measurements. Failure to use the correct probe adapter(s) may damage the connector.
NOTE: Failure to disconnect the battery when instructed will result in false resistance readings. Refer to Battery.
-------------------------------------------------
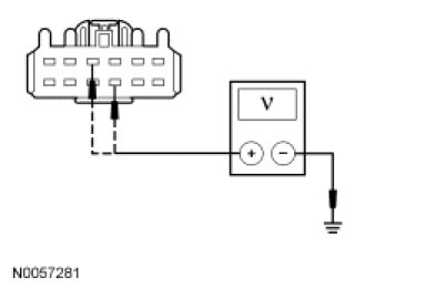
H1 CHECK THE LTM VOLTAGE SUPPLY CIRCUIT FOR AN OPEN
- Ignition OFF.
- Disconnect: LTM C4174b.
- Ignition ON.
- Measure the voltage between the LTM C4174b-4, circuit SBB34 (YE/RD), harness side and ground; and between the LTM C4174b-9, circuit SBP14 (BN/RD), harness side and ground.
- Are the voltages greater than 10 volts?
Yes
GO to H2.
No
VERIFY the Battery Junction Box (BJB) fuse 34 (30A) and Smart Junction Box (SJB) fuse 14 (10A) are OK. If OK, REPAIR the circuit in question. If not OK, REFER to the Wiring Diagrams to identify the possible causes of the circuit short. CLEAR the DTCs. REPEAT the network test with the scan tool.
-------------------------------------------------
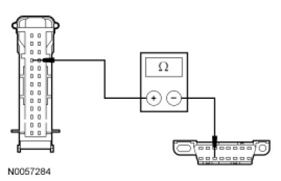
H2 CHECK THE LTM GROUND CIRCUIT FOR AN OPEN
- Ignition OFF.
- Disconnect: Negative Battery Cable.
- Measure the resistance between the LTM C4174b-1, circuit GD149 (BK/GY), harness side and ground.
- Is the resistance less than 5 ohms?
Yes
GO to H3.
No
REPAIR the circuit. CONNECT the negative battery cable. CLEAR the DTCs. REPEAT the network test with the scan tool.
-------------------------------------------------
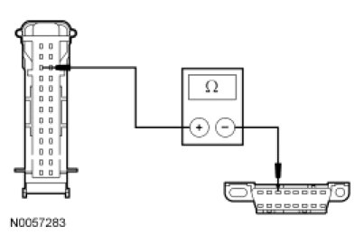
H3 CHECK THE MS-CAN CIRCUITS BETWEEN THE LTM AND THE DLC FOR AN OPEN
- Measure the resistance between the LTM C4174a-11, circuit VDB06 (GY/OG), harness side and the Data Link Connector (DLC) C251-3, circuit VDB06 (GY/OG), harness side.
- Measure the resistance between the LTM C4174a-10, circuit VDB07 (VT/OG), harness side and the DLC C251-11, circuit VDB07 (VT/OG), harness side.
- Are the resistances less than 5 ohms?
Yes
CONNECT the negative battery cable. GO to H4.
No
REPAIR the circuit in question. CONNECT the negative battery cable. CLEAR the DTCs. REPEAT the network test with the scan tool.
-------------------------------------------------
H4 CHECK FOR CORRECT LTM OPERATION
- Disconnect the LTM connector.
- Check for:
- corrosion
- damaged pins
- pushed-out pins
- Connect the LTM connector and make sure it seats correctly.
- Operate the system and verify the concern is still present.
- Is the concern still present?
Yes
INSTALL a new LTM. CLEAR the DTCs. REPEAT the network test with the scan tool.
No
The system is operating correctly at this time. The concern may have been caused by a loose or corroded connector. CLEAR the DTCs. REPEAT the network test with the scan tool.
-------------------------------------------------