Pinpoint Test B: The ABS Module Does Not Respond To The Scan Tool
Communications Network
Pinpoint Tests
Pinpoint Test B: The ABS Module Does Not Respond To The Scan Tool
Refer to Wiring Diagram Set 14, Module Communications Network for schematic and connector information. Diagrams By Number
Refer to Wiring Diagram Set 42, Vehicle Dynamic Systems for schematic and connector information. Diagrams By Number
Normal Operation
The ABS module communicates with the scan tool through the High Speed Controller Area Network (HS-CAN). Circuits VDB04 (WH/BU) (HS-CAN +) and VDB05 (WH) (HS-CAN -) provide the network connection to the ABS module. Voltage for the ABS module is provided by circuits CBP34 (VT/BN). Ground is provided by circuit GD120 (BK/GN).
This pinpoint test is intended to diagnose the following:
- Fuse
- Wiring, terminals or connectors
- ABS module
PINPOINT TEST B: THE ABS MODULE DOES NOT RESPOND TO THE SCAN TOOL
NOTICE: Use the correct probe adapter(s) when making measurements. Failure to use the correct probe adapter(s) may damage the connector.
NOTE: Failure to disconnect the battery when instructed will result in false resistance readings. Refer to Battery.
-------------------------------------------------
B1 CHECK THE VOLTAGE SUPPLY CIRCUIT FOR AN OPEN
- Ignition OFF.
- Disconnect: ABS Module C135.
- Ignition ON.
- Measure the voltage between the ABS module C135-32, circuit CBP34 (VT/BN), harness side and ground.
- Is the voltage greater than 10 volts?
Yes
GO to B2.
No
VERIFY the Smart Junction Box (SJB) fuse 34 (5A) is OK. If OK, REPAIR the circuit. If not OK, REFER to the Wiring Diagrams to identify the possible causes of the circuit short. CLEAR the DTCs. REPEAT the network test with the scan tool.
-------------------------------------------------
B2 CHECK THE GROUND CIRCUIT FOR AN OPEN
NOTE: Failure to disconnect the battery when instructed will result in false resistance readings. Refer to Battery.
- Disconnect: Negative Battery Cable.
- Ignition OFF.
- Measure the resistance between the ABS module C135-38, circuit GD120 (BK/GN), harness side and ground.
- Is the resistance less than 5 ohms?
Yes
GO to B3.
No
REPAIR the circuit. CONNECT the negative battery cable. CLEAR the DTCs. REPEAT the network test with the scan tool.
-------------------------------------------------
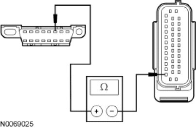
B3 CHECK THE HS-CAN CIRCUITS BETWEEN THE DLC AND THE ABS MODULE FOR AN OPEN
- Measure the resistance between the DLC C251-6, circuit VDB04 (WH/BU), harness side and the ABS module C135-26, circuit VDB04 (WH/BU), harness side.
- Measure the resistance between the DLC C251-14, circuit VDB05 (WH), harness side and the ABS module C135-14, circuit VDB05 (WH), harness side.
- Are the resistances less than 5 ohms?
Yes
CONNECT the negative battery cable. GO to B4.
No
REPAIR the circuit in question. CONNECT the negative battery cable. CLEAR the DTCs. REPEAT the network test with the scan tool.
-------------------------------------------------
B4 CHECK FOR CORRECT ABS MODULE OPERATION
- Disconnect the ABS module connector.
- Check for:
- corrosion
- damaged pins
- pushed-out pins
- Connect the ABS module connector and make sure it seats correctly.
- Operate the system and verify the concern is still present.
- Is the concern still present?
Yes
INSTALL a new ABS module. CLEAR the DTCs. REPEAT the network test with the scan tool.
No
The system is operating correctly at this time. The concern may have been caused by a loose or corroded connector. CLEAR the DTCs. REPEAT the network test with the scan tool.
-------------------------------------------------