Curiosii for ever!: Car repair manuals for everyone.

Information Bus: Description and Operation




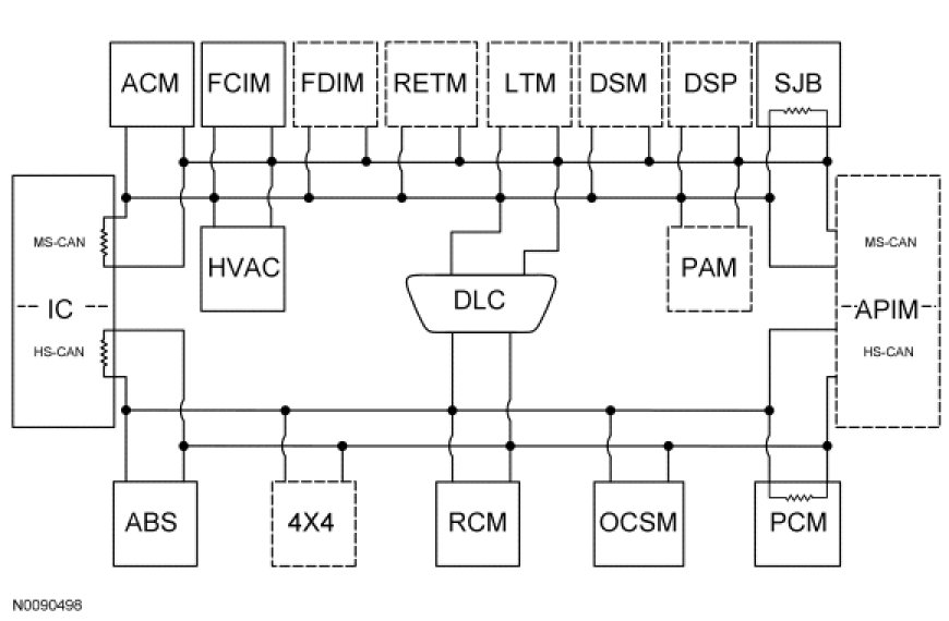
Communications Network

NOTE: The Smart Junction Box (SJB) is also known as the Generic Electronic Module (GEM).

Multiplexing is a method of sending 2 or more signals simultaneously over a single circuit. Multiplexing is used to allow 2 or more electronic modules (nodes) to communicate simultaneously over a twisted-wire pair [data (+) and data (-)] network. The information or messages that can be communicated on these wires consists of commands, status or data. The advantage of using multiplexing is to reduce the weight of the vehicle by reducing the number of redundant components and electrical wiring.

The vehicle has 2 module communication networks which are connected to the Data Link Connector (DLC), located under the instrument panel:

- High Speed Controller Area Network (HS-CAN)
- Medium Speed Controller Area Network (MS-CAN)

The HS-CAN and MS-CAN are defined by various ISO documents:

- ISO 11898 specifies the electrical, mechanical, and procedural interface for CAN serial communication technology.
- ISO 15765 specifies the protocol of CAN-based network systems and specifies implementation of a common set of unified diagnostics.
- ISO 14229 specifies the vehicle diagnostic architecture and changes the way PIDs, DTCs, and active commands are processed and displayed on the scan tool.

Network Topology









Network Termination And Gateway Function

The CAN uses 120 ohm resistors across the data (+) and data (-) at each end of the network main circuit branch, or "backbone", to improve communication reliability. Typically, the two termination resistors are located inside modules referred to as "termination modules". With 2 termination modules on each network, the 120 ohm resistors are arranged in a parallel circuit configuration which makes the total network impedance, or total resistance, 60 ohms.

Network termination improves bus message reliability by:

- stabilizing bus voltage.
- eliminating electrical interference.

The IC is the gateway module, translating messages on the HS-CAN to the MS-CAN and vice versa. This function allows a message to be distributed throughout both networks.