Auxiliary Step / Running Board Module: Service and Repair
Power Running Board (PRB) Module
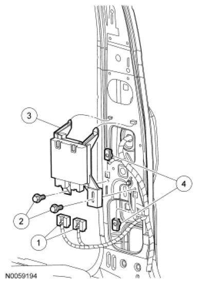
Removal and Installation
1. Remove the LH B-pillar trim panel.
2. Disconnect the Power Running Board (PRB) module electrical connectors.
3. Remove the 2 bolts and the PRB module assembly.
4. To install, reverse the removal procedure.