Curiosii for ever!: Car repair manuals for everyone.

Pinpoint Test L: Intermittent No High Speed Controller Area Network (HS-CAN) Communication, Communication Can Be Intermittently




Communications Network

Pinpoint Tests


Pinpoint Test L: Intermittent No High Speed Controller Area Network (HS-CAN) Communication, Communication Can Be Intermittently Established

Normal Operation

The High Speed Controller Area Network (HS-CAN) uses an unshielded twisted pair cable. Circuits VDB04 (WH/BU) (HS-CAN +) or VDB05 (WH) (HS-CAN -) provide the network connection to all HS-CAN modules on the network. In the event that 1 of the 2 network circuits (HS-CAN + or HS-CAN -) becomes open to a module on the network, unreliable network communication to all modules on the network may result.

In the event that either circuit VDB04 (WH/BU) (HS-CAN +) or VDB05 (WH) (HS-CAN -) becomes open to any module on the network, unreliable network communication to all modules on the network may result.

This pinpoint test is intended to diagnose the following:

- Wiring, terminals or connectors



PINPOINT TEST L: INTERMITTENT NO HS-CAN COMMUNICATION, COMMUNICATION CAN BE INTERMITTENTLY
ESTABLISHED


NOTE: Various modules will set network DTCs during this test procedure. Clear DTCs from all modules after the diagnostic procedure is completed.

NOTE: Failure to disconnect the battery when instructed will result in false resistance readings. Refer to Battery.

-------------------------------------------------
L1 CHECK THE DLC PINS FOR DAMAGE


- Ignition OFF.
- Disconnect the scan tool cable from the Data Link Connector (DLC).
- Inspect DLC pins 6 and 14 for damage.




- Are DLC pins 6 and 14 OK?

Yes
GO to L2.

No
REPAIR the DLC as necessary. CLEAR the DTCs. REPEAT the network test with the scan tool.

-------------------------------------------------
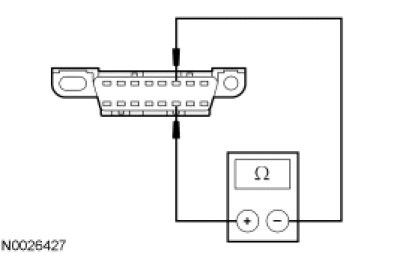
L2 CHECK THE HS-CAN TERMINATION RESISTANCE


- Ignition OFF.
- Disconnect: Negative Battery Cable.
- Measure the resistance between the DLC C251-6, circuit VDB04 (WH/BU), harness side and the DLC C251-14, circuit VDB05 (WH), harness side.




- Is the resistance between 54 and 66 ohms?

Yes
GO to L3.

No
CONNECT the negative battery cable. Go To Pinpoint Test K. Pinpoint Test K: No High Speed Controller Area Network (HS-CAN) Communication, All Modules Are Not Responding

-------------------------------------------------
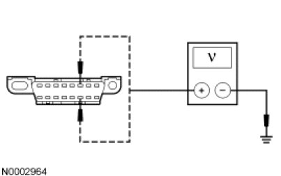
L3 CHECK THE HS-CAN (+) AND HS-CAN (-) CIRCUITS FOR A SHORT TO GROUND


- Measure the resistance between the DLC C251-6, circuit VDB04 (WH/BU), harness side and ground; and between the DLC C251-14, circuit VDB05 (WH), harness side and ground.




- Are the resistances greater than 1,000 ohms?

Yes
CONNECT the negative battery cable. GO to L4.

No
CONNECT the negative battery cable. Go To Pinpoint Test K. Pinpoint Test K: No High Speed Controller Area Network (HS-CAN) Communication, All Modules Are Not Responding

-------------------------------------------------
L4 CHECK THE HS-CAN (+) AND HS-CAN (-) CIRCUITS FOR A SHORT TO VOLTAGE


- Ignition ON.
- Measure the voltage between the DLC C251-6, circuit VDB04 (WH/BU), harness side and ground; and between the DLC C251-14, circuit VDB05 (WH), harness side and ground.




- Is the voltage on either circuit greater than 6 volts?

Yes
REPAIR the circuit in question. CLEAR the DTCs. REPEAT the network test with the scan tool.

No
GO to L5.

-------------------------------------------------
L5 CHECK FOR RESTORED COMMUNICATION WITH THE PCM DISABLED


NOTE: An IDS session must be established prior to disabling the PCM in this test step. If the PCM has failed communication during multiple attempts to identify the vehicle, first identify the vehicle manually by entering a PCM part number, calibration number or tear tag when prompted by IDS.

NOTE: When a vehicle is manually identified by a PCM part number, calibration number or tear tag, the IDS will not automatically run a network test. The network test must be manually selected and run.

NOTE: When re-running the network test, the network test application must be first closed or the screen display will revert back to the prior run network test results.

- Disconnect: Battery Junction Box (BJB) Fuses 46 (10A), 54 (10A) (Gasoline Engine Only), 55 (10A) (Diesel Engine Only).
- Enter the following diagnostic mode on the scan tool: Network Test.
- Repeat the network test.
- Do all other modules pass the network test?

Yes
INSTALL the removed fuses. Go To Pinpoint Test A. Pinpoint Test A: The PCM Does Not Respond To The Scan Tool

No
INSTALL the removed fuses.

If the vehicle is equipped with a telematics module, GO to L6.

If the vehicle is not equipped with a telematics module, GO to L7.

-------------------------------------------------
L6 CHECK FOR RESTORED NETWORK COMMUNICATION WITH THE TELEMATICS MODULE DISABLED


NOTE: When re-running the network test, the network test application must be first closed or the screen display will revert back to the prior run network test results.

- Disconnect: Telematics Module Inline Fuse (3A).
- Enter the following diagnostic mode on the scan tool: Network Test.
- Repeat the network test.
- Do all other modules pass the network test?

Yes
INSTALL the removed fuse. GO to L11.

No
INSTALL the removed fuse. GO to L7.

-------------------------------------------------
L7 CHECK FOR RESTORED NETWORK COMMUNICATION WITH THE ABS MODULE DISABLED


NOTE: When re-running the network test, the network test application must be first closed or the screen display will revert back to the prior run network test results.

- Disconnect: BJB Fuse 53 (10A).
- Enter the following diagnostic mode on the scan tool: Network Test.
- Repeat the network test.
- Do all other modules pass the network test?

Yes
INSTALL the removed fuse. Go To Pinpoint Test B. Pinpoint Test B: The ABS Module Does Not Respond To The Scan Tool

No
INSTALL the removed fuse. GO to L8.

-------------------------------------------------
L8 CHECK FOR RESTORED NETWORK COMMUNICATION WITH THE INSTRUMENT CLUSTER (IC) DISABLED


NOTE: When re-running the network test, the network test application must be first closed or the screen display will revert back to the prior run network test results.

- Disconnect: SJB Fuses 26 (10A) and 29 (5A).
- Enter the following diagnostic mode on the scan tool: Network Test.
- Repeat the network test.
- Do all other modules pass the network test?

Yes
INSTALL the removed fuses. Go To Pinpoint Test C. Pinpoint Test C: The Instrument Cluster (IC) Does Not Respond To The Scan Tool

No
INSTALL the removed fuses. For stripped chassis, an intermittent fault is not present, Go To Pinpoint Test K. Pinpoint Test K: No High Speed Controller Area Network (HS-CAN) Communication, All Modules Are Not Responding

Otherwise, GO to L9.

-------------------------------------------------
L9 CHECK FOR RESTORED NETWORK COMMUNICATION WITH THE RCM DISABLED


NOTE: When re-running the network test, the network test application must be first closed or the screen display will revert back to the prior run network test results.

- Disconnect: SJB Fuse 32 (10A).
- Enter the following diagnostic mode on the scan tool: Network Test.
- Repeat the network test.
- Do all other modules pass the network test?

Yes
INSTALL the removed fuses. Go To Pinpoint Test D. Pinpoint Test D: The Restraints Control Module (RCM) Does Not Respond To The Scan Tool

No
INSTALL the removed fuses.

If the vehicle is equipped with a TBC module, GO to L10.

If the vehicle is not equipped with a TBC module, an intermittent fault is not present. Go To Pinpoint Test K. Pinpoint Test K: No High Speed Controller Area Network (HS-CAN) Communication, All Modules Are Not Responding

-------------------------------------------------
L10 CHECK FOR RESTORED NETWORK COMMUNICATION WITH THE TBC MODULE DISABLED


NOTE: When re-running the network test, the network test application must be first closed or the screen display will revert back to the prior run network test results.

- Disconnect: SJB Fuse 33 (10A).
- Enter the following diagnostic mode on the scan tool: Network Test.
- Repeat the network test.
- Do all other modules pass the network test?

Yes
INSTALL the removed fuse. Go To Pinpoint Test E. Pinpoint Test E: The Trailer Brake Control (TBC) Module Does Not Respond To The Scan Tool

No
INSTALL the removed fuse. An intermittent fault is not present. Go To Pinpoint Test K. Pinpoint Test K: No High Speed Controller Area Network (HS-CAN) Communication, All Modules Are Not Responding

-------------------------------------------------
L11 CHECK FOR CORRECT TELEMATICS MODULE OPERATION


- Disconnect the telematics module connector.
- Check for:
- corrosion
- damaged pins
- pushed-out pins
- Connect the telematics module connector and make sure it seats correctly.
- Operate the system and verify the concern is still present.
- Is the concern still present?

Yes
INSTALL a new telematics module. CLEAR the DTCs. REPEAT the network test with the scan tool.

No
The system is operating correctly at this time. The concern may have been caused by a loose or corroded connector. CLEAR the DTCs. REPEAT the network test with the scan tool.

-------------------------------------------------