Curiosii for ever!: Car repair manuals for everyone.

Pinpoint Test G: The Audio Control Module (ACM) Does Not Respond To The Scan Tool




Communications Network


Pinpoint Tests


Pinpoint Test G: The Audio Control Module (ACM) Does Not Respond To The Scan Tool

Refer to Wiring Diagram Set 14, Module Communications Network for schematic and connector information. Diagrams By Number

Refer to Wiring Diagram Set 130, Audio System/Navigation for schematic and connector information. Diagrams By Number

Normal Operation

The Audio Control Module (ACM) communicates with the scan tool through the Medium Speed Controller Area Network (MS-CAN). Circuits VDB06 (GY/OG) (MS-CAN +) and VDB07 (VT/OG) (MS-CAN -) provide the network connection to the ACM. The ACM shares the MS-CAN with the Smart Junction Box (SJB), the PAM (if equipped), and the Instrument Cluster (IC). Voltage for the ACM is provided by circuits SBP39 (WH/RD) and CBP41 (BU). Circuit GD115 (BK/GY) provides ground.

This pinpoint test is intended to diagnose the following:

- Fuse
- Wiring, terminals or connectors
- ACM



PINPOINT TEST G: THE ACM DOES NOT RESPOND TO THE SCAN TOOL

NOTICE: Use the correct probe adapter(s) when making measurements. Failure to use the correct probe adapter(s) may damage the connector.

NOTE: Failure to disconnect the battery when instructed will result in false resistance readings. Refer to Battery.

-------------------------------------------------
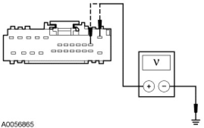
G1 CHECK THE ACM VOLTAGE SUPPLY CIRCUITS FOR AN OPEN


- Ignition OFF.
- Disconnect: ACM C290a.
- Ignition ON.
- For non-navigation ACM equipped vehicles, measure the voltage between the ACM C240a-1, circuit SBP39 (WH/RD), harness side and ground; and between the ACM C240a-2, circuit CPB41 (BU), harness side and ground.




- For navigation ACM equipped vehicles, measure the voltage between the ACM C240a-1, circuit SBP39 (WH/RD), harness side and ground.




- Are the voltages greater than 10 volts?

Yes
GO to G2.

No
VERIFY the Smart Junction Box (SJB) fuse 39 (20A) or 41 (15A) is OK. If OK, REPAIR the circuit in question. If not OK, REFER to the Wiring Diagrams to identify the possible causes of the circuit short. CLEAR the DTCs. REPEAT the network test with the scan tool.

-------------------------------------------------
G2 CHECK THE ACM GROUND CIRCUIT FOR AN OPEN


- Ignition OFF.
- Disconnect: Negative Battery Cable.
- Measure the resistance between the ACM C240a-13, circuit GD115 (BK/GY), harness side and ground.




- Is the resistance less than 5 ohms?

Yes
GO to G3.

No
REPAIR the circuit. CONNECT the negative battery cable. CLEAR the DTCs. REPEAT the network test with the scan tool.

-------------------------------------------------
G3 CHECK THE MS-CAN CIRCUITS BETWEEN THE ACM AND THE DLC FOR AN OPEN


- Disconnect: ACM C240b.
- Measure the resistance between the ACM C240b-15, circuit VDB06 (GY/OG), harness side and the Data Link Connector (DLC) C251-3, circuit VDB07 (VT/OG), harness side.




- Measure the resistance between the ACM C240b-16, circuit VDB07 (VT/OG), harness side and the DLC C251-11, circuit VDB07 (VT/OG), harness side.




- Are the resistances less than 5 ohms?

Yes
CONNECT the negative battery cable. GO to G4.

No
REPAIR the circuit in question. CONNECT the negative battery cable. CLEAR the DTCs. REPEAT the network test with the scan tool.

-------------------------------------------------
G4 CHECK FOR CORRECT ACM OPERATION


- Disconnect all the ACM connectors.
- Check for:
- corrosion
- damaged pins
- pushed-out pins
- Connect all the ACM connectors and make sure they seat correctly.
- Operate the system and verify the concern is still present.
- Is the concern still present?

Yes
INSTALL a new ACM. TEST the system for normal operation.

No
The system is operating correctly at this time. The concern may have been caused by a loose or corroded connector. CLEAR the DTCs. REPEAT the network test with the scan tool.

-------------------------------------------------