Pinpoint Test F: The Smart Junction Box (SJB) Does Not Respond To The Scan Tool
Communications Network
Pinpoint Tests
Pinpoint Test F: The Smart Junction Box (SJB) Does Not Respond To The Scan Tool
Refer to Wiring Diagram Set 10, Grounds for schematic and connector information. Diagrams By Number
Refer to Wiring Diagram Set 13, Power Distribution/SJB for schematic and connector information. Diagrams By Number
Refer to Wiring Diagram Set 14, Module Communications Network for schematic and connector information. Diagrams By Number
Normal Operation
The Smart Junction Box (SJB) communicates with the scan tool through the Medium Speed Controller Area Network (MS-CAN). Circuits VDB06 (GY/OG) (MS-CAN +) and VDB07 (VT/OG) (MS-CAN -) provide the network connection to the SJB. Voltage for the SJB is provided directly from the internal SJB busbar through SJB fuse 5 (10A). Ground is provided by circuit GD133 (BK).
This pinpoint test is intended to diagnose the following:
- Fuse
- Wiring, terminals or connectors
- SJB
PINPOINT TEST F: THE SJB DOES NOT RESPOND TO THE SCAN TOOL
NOTICE: Use the correct probe adapter(s) when making measurements. Failure to use the correct probe adapter(s) may damage the connector.
NOTE: Failure to disconnect the battery when instructed will result in false resistance readings. Refer to Battery.
-------------------------------------------------
F1 CHECK THE SJB FUSE FOR VOLTAGE
- Ignition OFF.
- Measure the voltage between the back of the SJB fuse 5 (10A) terminals (both sides) and ground.
- Are the voltages greater than 10 volts?
Yes
GO to F2.
No
VERIFY the Smart Junction Box (SJB) fuse 5 (10A) is OK. If OK, REPAIR the circuit. If not OK, REFER to the Wiring Diagrams to identify the possible causes of the circuit short. CLEAR the DTCs. REPEAT the network test with the scan tool.
-------------------------------------------------
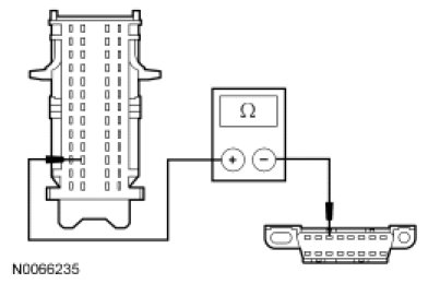
F2 CHECK THE SJB GROUND CIRCUIT FOR AN OPEN
- Disconnect: Negative Battery Cable.
- Disconnect: SJB C2280d.
- Measure the resistance between the Smart Junction Box (SJB), harness side and ground as follows:
- Are the resistances less than 5 ohms?
Yes
GO to F3.
No
REPAIR the circuit. CONNECT the negative battery cable. CLEAR the DTCs. REPEAT the network test with the scan tool.
-------------------------------------------------
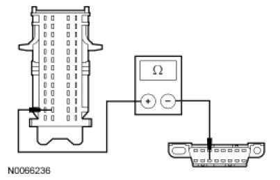
F3 CHECK THE MS-CAN CIRCUITS BETWEEN THE SJB AND THE DLC FOR AN OPEN
- Disconnect: SJB C2280b.
- Measure the resistance between the SJB C2280b-37, circuit VDB06 (GY/OG), harness side and the Data Link Connector (DLC) C251-3, circuit VDB06 (GY/OG), harness side.
- Measure the resistance between the SJB C2280b-38, circuit VDB07 (VT/OG), harness side and the DLC C251-11, circuit VDB07 (VT/OG), harness side.
- Are the resistances less than 5 ohms?
Yes
CONNECT the negative battery cable. GO to F4.
No
REPAIR the circuit in question. CONNECT the negative battery cable. CLEAR the DTCs. REPEAT the network test with the scan tool.
-------------------------------------------------
F4 CHECK FOR CORRECT SJB OPERATION
- Disconnect all the SJB connectors.
- Check for:
- corrosion
- damaged pins
- pushed-out pins
- Connect all the SJB connectors and make sure they seat correctly.
- Operate the system and verify the concern is still present.
- Is the concern still present?
Yes
INSTALL a new SJB. CLEAR the DTCs. REPEAT the network test with the scan tool.
No
The system is operating correctly at this time. The concern may have been caused by a loose or corroded connector. CLEAR the DTCs. REPEAT the network test with the scan tool.
-------------------------------------------------