Curiosii for ever!
: Car repair manuals for everyone.
Home
>>
Ford Truck
>>
2008
>>
Ranger 2WD V6-3.0L
>>
Repair and Diagnosis
>>
Specifications
>>
Mechanical Specifications
>>
Engine
>>
System Specifications
>>
Torque Specifications
Torque Specifications
Torque Specifications
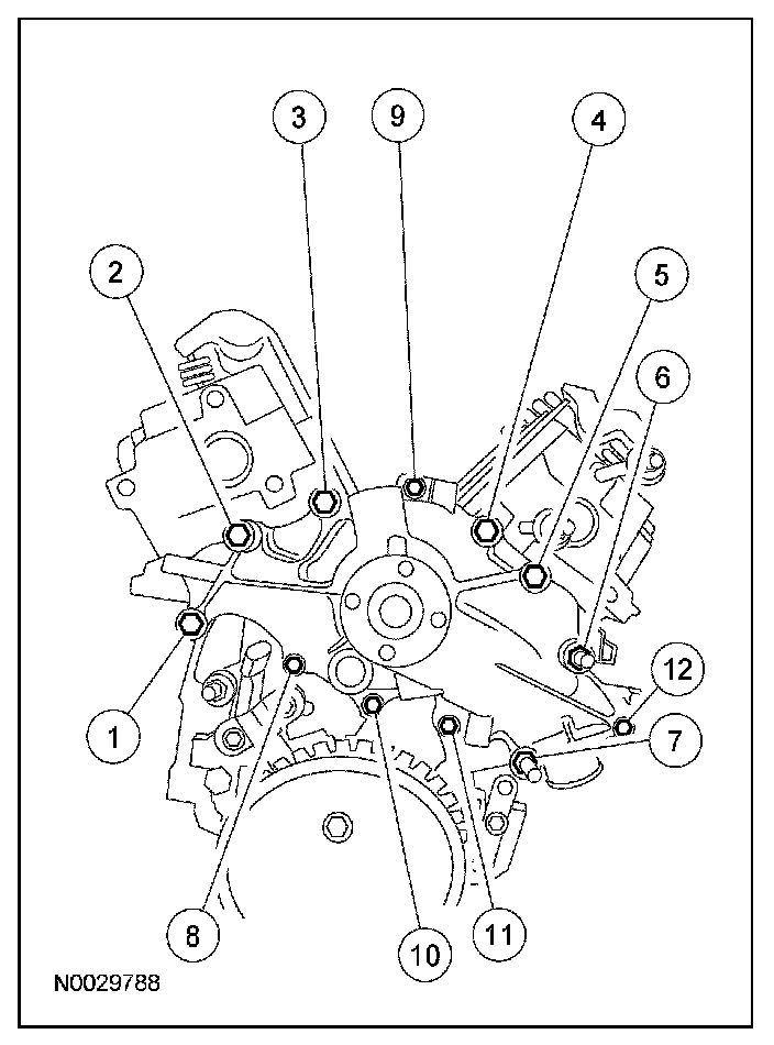
Main Bearing Cap Bolt Sequence:
Coolant pump bolts:
bolts 1-7
25 Nm (18 lb-ft).
bolts 8-12
10 Nm (89 lb-inch).
Flexplate Bolt Sequence
Criss-cross pattern
Flywheel Bolt Sequence
Criss-cross pattern