Curiosii for ever!
: Car repair manuals for everyone.
Home
>>
Ford Truck
>>
2008
>>
E 250 V8-4.6L
>>
Repair and Diagnosis
>>
Powertrain Management
>>
Computers and Control Systems
>>
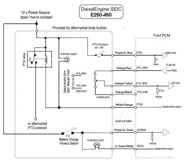
Relays and Modules - Computers and Control Systems
>>
Idle/Throttle Speed Control Unit
>>
Diagrams
>>
Electrical Diagrams
Electrical Diagrams
Wiring Diagrams