Curiosii for ever!: Car repair manuals for everyone.

Pressure Feedback Exhaust Sensor: Service and Repair

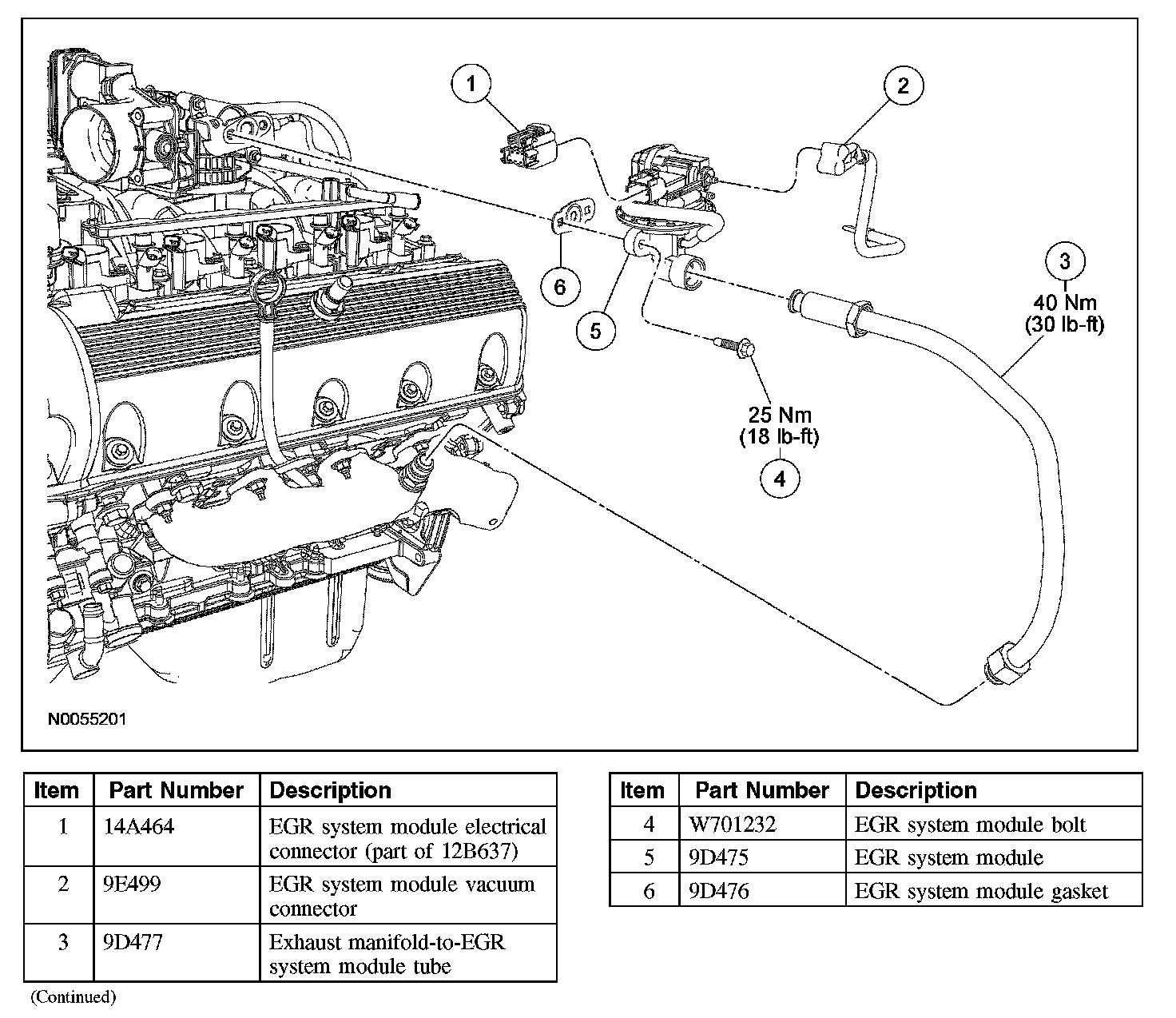
EXHAUST GAS RECIRCULATION (EGR) SYSTEM MODULE

Exploded View







Removal
1. Remove the exhaust manifold-to-EGR system module tube.
2. Disconnect the EGR system module electrical connector.
3. Disconnect the EGR system module vacuum line.
4. Remove the bolts and EGR system module and discard the gasket.

Installation

1. NOTE: The EGR valve sealing surfaces are soft metals.

Carefully clean both sealing surfaces.
- Install a new EGR system module gasket with the side with the raised ring facing the intake manifold.







2. Install the EGR system module and bolts.
- Tighten the bolts in 2 stages.
- Stage 1: Tighten to 25 Nm (18 lb-ft).
- Stage 2: Tighten an additional 90 degrees.

3. Connect the EGR system module vacuum line.
4. Connect the EGR system module electrical connector.
5. Install the exhaust manifold-to-EGR system module tube.